MOTO.com.ua
events
0
Події
Погода: Київ
10.05, 10:13
44
+12 °С
Вітер: 2 м./с., Півн
НовиниФорумОголошенняЖурналКаталогПривалКалендар
Реєстрація Вхід
?
Увійти
Допоможіть Армії, наближайте нашу Перемогу!
Форум
Шукати

Мопеды Delta, Alpha и подобные клоны с CUB-овскими двигателями...

Переглядів: 13767441
22.10.2007 р.
answerview
Показати повідомлення
Обсуждаем мопеды Дельта, Альфа и подобные: обслуживание, ремонт, тюнинг, стайлинг мопедов.
"Viper": Delta, Alpha; Chongqing Wonjan motorcycle (Чунцин Вонцзянь)
"Аlphamoto": Fermer, Pony;
"Zonder": Fisher, Wolf;
"Kanuni": Nostalgia, Savage;
"Lifan": LF50Q-2, LF50;
"Musstang":YX48Q, YX48Q-2;
"Atlant": Сity;
"SOUL": Farmer;

Характеристики CUB двигателя 50, 70, 90, 100, 110, 125 кубов.
Судя по графикам, самый оптимальный двигатель 110куб.:
ТЫНЦ



Полезное видео по ремонту наших двигателей:
Видео по ремонту КПП с полной разборкой двигателя: https://www.youtube.com/watch?feature=player_detailpage&v=KQTpx3KG4gs
Видео  настройки карбюратора https://www.youtube.com/watch?v=kbOHcJjUDgQ
Как по состоянию свечи, выявить неполадки в двигателе https://www.youtube.com/watch?v=ugUFu-VzJ1A
Выявление проблем с клапанами https://www.youtube.com/watch?v=X3Ompi10UhM
Как отрегулировать клапана https://www.youtube.com/watch?v=x6J83X3lU3Q

В прикрепленных эскизах изображений:
1. внешний вид "альфа"подобных;
2. внешний вид "дельта"подобных;
3. эскизы съемников, необходимых для самостоятельного ремонта каб-моторов (с размерами);


В архивах:
В архиве №1 Мануал на "ДЕЛЬТУ"
В архиве №2 каталог деталей двигателя 139FMB с иллюстрациями на примере Актива
В архиве №3 и №4 каталог деталей с иллюстрациями на примере ДЕЛЬТЫ
В архиве №5 Мануал НONDA70(прародительница) на английском языке.

В архиве №6 Более обширная инструкция по настройке карбюратора
В архиве №7 Статья Wicker "ПЕРЕХОД НА ПОСТОЯНКУ";
                       Установка CDI-DC коммутатора вместо штатного" по методу Akademik;
                       распиновка реле-регулятора;
                       распиновка коммутатора от скутера на каб-мотор;
                       соотношение передаточного числа ведомой и ведущей звёзд;
                       типоразмерность шин (таблица);
                       таблица для определения степени заряженности аккумулятора;
                       наглядная картинка определения нормальной работы двигателя по цвету свечи
В архиве №8 Мануал на "АЛЬФУ"
В архиве №9 Инструкция по ремонту  нашего двигателя
В архиве № 10 Схема электропроводки, тахометра, реле поворотов
В архиве № 11 Мануалка по прокачке передней вилки на примере "Дельты"
Замена звезды привода маслонасоса без раскола двигателя
И все же, как заменить звезду привода маслонасоса, не снимая правой крышки картера, то есть только со стороны генератора. Да вот так...
Если Вы приобрели разборную звезду вала маслонасоса ( есть такие, хоть и не часто попадаются в продаже , первое фото внизу ).   В ней отверткой выкручивается центральная часть по левой резьбе, то-есть внутри сделана футурка с наружной резьбой для фланца венца , и по центру резьба для накручивания на вала.  Дальше острым ножом срезаем резину по кругу на старой звезде, типа как тут на видео должно получится ( смотреть с 10 минуты) https://www.youtube.com/watch?v=xfS1dd7AxzM .   Венец звезды с зубьями , раскусить кусачками если понадобится и выламать.  Вытянуть вал как на видео , выкрутить то что осталось от старой звезды.
Взять венец разборной звезды, приложить на свое место и вставить вал через него на свое место.  Затем футурку одновременно накручивать на вал маслопривода и в сам венец звезды .   Для удобства затягивания, на валу с торца  пропилять щлец под ровную отвертку, когда вал был снят. смотрите следующие фото.
Но что же делать, если нет разборной звезды, а есть обыкновенная. А вот что, болгаркой укорачиваете вал на 3мм., да и шлец пропилить в торце не будет лишним, для затяжки резьбы звезды на валу (см. фото). На самой звезде со стороны вала маслонасоса, той же болгаркой сделать пропил на ширину (5мм.) по толщине вала , дабы чтобы получить возможность по этой канавке подать звезду по торцу вала, к месту навинчивания. Если не укоротить вал, и не сделать пропил на звезде глубиной 2-3мм.(индивидуально для каждого случая) , то звезда не пройдет между краем  люка   картера и торцом вала привода.  
Данный метод замены звезды привода маслонасоса часто практикует наш коллега Олег (olegsuzuki) .
Змінено: 05.11.2018 р., tsinik
Прикріплені зображеннявідкрити у галереї
Внешний вид Альфа-подобных мопедов
Внешний вид Дельта-подобных мопедов
Эскизы съемников для ремонта CUB моторов
Прикріплені файли
rar
6.05 мБ.
rar
769.66 кБ.
rar
2.85 мБ.
rar
1.83 мБ.
rar
9.06 мБ.
rar
457.25 кБ.
rar
680.24 кБ.
rar
3.7 мБ.
rar
832.02 кБ.
rar
191.37 кБ.
rar
80.06 кБ.
like
good
bad
shockingly
04.07.2008 р. відповів для MotoCorr  
answerview
Мужики, помогите разобраться в проблеме.
Проблема: Двигатель заводится и работает нормально, НО при очень резком открытии дроселя (т.е. когда резко крутнёшь ручку газа) двигатель начинает глохнуть. Регулировка карба ничего не даёт. Воздухофильт проверял вроде бы нормальный.


  Смотря, кто и как, регулировал карбюратор!
Ded.
like
good
bad
shockingly
04.07.2008 р.
answerview
Наверное ты прав tark. Почему то я до этого не дапер.

Есть еще один вопрос. Как узнать, какой нормальный уровень у аккумулятора, если на нем нет никаких черточек, рисочек, полосочек, вообще нет никаких обозначений?
like
good
bad
shockingly
04.07.2008 р. відповів для MotoCorr  
answerview
Берешь стеклянную трубочку, опускаешь в банку, затыкаешь пальчиком сверху и вытащив смотришь уровень!
Ded.
like
good
bad
shockingly
04.07.2008 р. відповів для DED  
answerview
DED, ты меня не правильно понял. Я не спрашивал как вообще определить уровень в аккумуляторе. Меня интересует какой уровень в аккумуляторе считается нормальный, т.е. когда нужно доливать воду.
like
good
bad
shockingly
04.07.2008 р. відповів для MotoCorr  
answerview
10-15 mm над пластинами. Я держу 10. Хватает на две недели. Выше - при продолжительной езде начинает капать из сливной трубки. Если у тебя ее нет - поставь, а то сожрет краску на раме и двигателе.
Все ка-кто не доходят руки поставить реле регулятор. Штатный дерьмо!  Ограничение наступает при 18 вольтах. Надыбал схемку спаял, но проверить и настроить,  как-то недосуг. Лето на дворе!
Ded.
Змінено: 04.07.2008 р., DED
like
good
bad
shockingly
Cloner
04.07.2008 р. відповів для CASPER  
answerview
Всем привет.Сеогдня купил Alpha и сразу чтото не присмотрелса, только дома уже увидил что пердниэ повороты горят нормально а задниэ наоборот.Помогите пожалуйста розобратсо что надо какие провода поменять, я в технике новичок. 280 страниц нет времени листать, может ктото поможет или даст номера страниц где эсть обсуждение моей проблемы.
Заранее благодарен.

P.S. Извеняюсь за орфографию руского потому как общяюсь всегда украинским. :uops:
like
good
bad
shockingly
04.07.2008 р.
answerview
Коллеги, подскажите, пожалуйста, мне дремучему, как она устроена - эта бескамерная резина? Никогда просто раньше не видел.
Спросил сегодня в одном месте, а мне показали толстую покрышку и сказали, шо это она и есть. Вот и думаю теперь - правда, или развод?
Если ты думаешь, что шлем не нужен, значит тебе он действительно не нужен.
like
good
bad
shockingly
04.07.2008 р. відповів для Lasum  
answerview
такая же, как и камерная. на покрышке должно стоять TL или Tubeless-безкамерка, TT Tubetype - камерная.
я думал, ежедневные тренировки в 6 утра сделают из меня жаворонка.щас.
Они сделали из меня хмурую, сонную и уставшую сову.
like
good
bad
shockingly
04.07.2008 р. відповів для Tosha443  
answerview
такая же, как и камерная. на покрышке должно стоять TL или Tubeless-безкамерка, TT Tubetype - камерная.


То есть - просто покрышка ставится на диск и все ?! Накачал и поехал?!
Если ты думаешь, что шлем не нужен, значит тебе он действительно не нужен.
like
good
bad
shockingly
04.07.2008 р. відповів для Lasum  
answerview
безкамерку вроде очень тяжело накачать обычным насосом....компрессорами дуют..
"Колесить это умно и мудро кагда тепло, сухо и мягко но гупо и сыро когда не можно и безобразник." (ц) Ли Вонг Янь
[url=moto-rage.com.ua/site/forum.php?mod=group&fid=59](т)Йолки - наше всё![img
like
good
bad
shockingly
04.07.2008 р. відповів для Sokol  
answerview
безкамерку вроде очень тяжело накачать обычным насосом....компрессорами дуют..


А почему? Можно по-подробней?
И пойдет ли на наши колеса тройка бескамерка?
Если ты думаешь, что шлем не нужен, значит тебе он действительно не нужен.
like
good
bad
shockingly
04.07.2008 р. відповів для Lasum  
answerview


А почему? Можно по-подробней?
И пойдет ли на наши колеса тройка бескамерка?
 для того чтобы надуть бк надо изначально мощный поток воздуха, чтобы покрышка плотно прилегла к диску.
В на счет наших колес - всё никак не заеду к куму  на шиномонтаж.  Он обещал глянуть.
(Долбаный Т9. Замучался пока набрал)
"Колесить это умно и мудро кагда тепло, сухо и мягко но гупо и сыро когда не можно и безобразник." (ц) Ли Вонг Янь
[url=moto-rage.com.ua/site/forum.php?mod=group&fid=59](т)Йолки - наше всё![img
Змінено: 04.07.2008 р., Sokol
like
good
bad
shockingly
04.07.2008 р. відповів для Kiril2007  
answerview
Сбросьте и мне пожалуйста для альфы
mailto:kiril_uaz@mail.ru
 Кирил извени, но до понедельника у меня мне будет возможности закинуть тебе инструкции. В понедельник напомни пожалуйста. Скину обязательно. Или сейчас в личку мне напоминалку со своим мылом сбрось.
"Колесить это умно и мудро кагда тепло, сухо и мягко но гупо и сыро когда не можно и безобразник." (ц) Ли Вонг Янь
[url=moto-rage.com.ua/site/forum.php?mod=group&fid=59](т)Йолки - наше всё![img
like
good
bad
shockingly
04.07.2008 р. відповів для Sokol  
answerview
безкамерку вроде очень тяжело накачать обычным насосом....компрессорами дуют..
Есть способ установки безкамерки- <взрывом>. В шприц берем 2гр. бензина, впрыскиваем внутрь одетой на диск покрышки на против соска. Подносим спичку <лучше подожжонную бумагу> и одновремено делаем качек насосом одетым на сосок. Бух и готово. Если всё сделано правилЬно, то в покрышке уже будет почти 1.5атм. Сам ещё не пробовал но видел этот процесс.
like
good
bad
shockingly
04.07.2008 р. відповів для Lasum  
answerview
Да. просто накачал и все. только, как заметили соплеменники, просто накачать не получается, на обод покрышку посадить надо, чтобы не спускала. Взрывной метод в дороге рулит, но я читал, что на автопокрышку надо колпачок с пластиковой бутылки. 2 куба многовато будет. ИМХО. А у покрышки есть еще параметр, о котором часто забывают - ширина обода или тип, как буржуины говорят. Rim type. у нас обода 1.4х17 и 1.6х17.у покрышки 3х17 rim type - 2-2.5x17. метцлер, пирелли,данлоп под наши обода безкамерок не делают. вроде бы. буду рад оказаться неправым.
я думал, ежедневные тренировки в 6 утра сделают из меня жаворонка.щас.
Они сделали из меня хмурую, сонную и уставшую сову.
like
good
bad
shockingly
04.07.2008 р. відповів для Tosha443  
answerview
Так я ж те грю: бескамерку видел тройку сегодня, производства Кенго (то ли Таиланд, то ли Тайвань).
Скажи по-простому - годится она для наших колес, или нет?
Если ты думаешь, что шлем не нужен, значит тебе он действительно не нужен.
like
good
bad
shockingly
05.07.2008 р. відповів для Lasum  
answerview
Сгодиться если: 1) не будет тереть о сложенную центральную подножку. 2) найдешь длинный штуцер для бескамерки.
Ded.
like
good
bad
shockingly
05.07.2008 р.
answerview
Сегодня познакомился с одним интересным человеком.Занимается востановлением советских мопедов от полного перебора всего+добавление различных фич к ним, обвесов,подножек самосделанных ,как на Альфах,лобовиков и еще много чего интересного.Я от увиденного даже забыл это все пофотать телефоном.Его переделанные Карпаты,запросто 75 км/ч набирают - сам офигел.
Ну а теперь о главном, присутствует у него и Альфа недавно приобретенная, с которой дед еще не успел ничего сотворить.Что удивило. Ставили рядом 2 Альфы,его и мою.Моя,приобретенная в марте,его месяц назад. Его Альфа:
-выше моей на несколько сантиметров(у меня правда немного задран зад самодельными втулками к газомаслянным аммортам)
-легче килограмм на 10-15, может и больше,запросто становится на центральную подножку, в моей же чувствутся вес мотоцикла.
-подножки пассажира выше
-спидометр (60)умножается на 3(у мня на 2),проверяли тут же
-дуги шире моих
все остальное с виду все похожее
Где китайцы сэкономили на весе? 06_question
Хозяин клянется,что запросто бежит она 90 вдвоем.Не пробовали жаль.Я на своей сам еле 80-вытягиваю.....
Змінено: 05.07.2008 р., Alan
like
good
bad
shockingly
05.07.2008 р. відповів для Printer77  
answerview
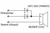
Спасибо всем кто откликнулся!!!!!!!! В принципе нет никакой схемы,два диода для развязки и бузер на 12В
Прикріплені зображеннявідкрити у галереї
like
good
bad
shockingly
05.07.2008 р. відповів для AndjeiLug  
answerview
Спасибо всем кто откликнулся!!!!!!!! В принципе нет никакой схемы,два диода для развязки и бузер на 12В


С этого места поподробней плиз,что за бузер,где стоит?
Я пьяным за руль не сажусь,разве что только поганять....
like
good
bad
shockingly
© 2001-2026, MOTO.com.ua - все про мотоцикли та скутери!   Зворотній зв'язок   Про нас   Реклама на сайті   Магазин