MOTO.com.ua
events
0
Події
Погода: Київ
05.05, 16:07
32
+26 °С
Вітер: 3 м./с., Пд-З
НовиниФорумОголошенняЖурналКаталогПривалКалендар
Реєстрація Вхід
?
Увійти
Допоможіть Армії, наближайте нашу Перемогу!
Галерея

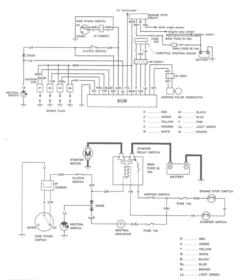
Фотографії повідомлення #1017232 теми форума «Вопросы к электронщикам сайта - в этой теме обитают спецы-электронщики»

Фото 1
фото 1
Фото 2
фото 2
© 2001-2026, MOTO.com.ua - все про мотоцикли та скутери!   Зворотній зв'язок   Про нас   Реклама на сайті   Магазин