MOTO.com.ua
events
0
Події
Погода: Київ
21.05, 01:29
11
+16 °С
Вітер: 0 м./с., Схід
НовиниФорумОголошенняЖурналКаталогПривалКалендар
Реєстрація Вхід
?
Увійти
Допоможіть Армії, наближайте нашу Перемогу!
Галерея

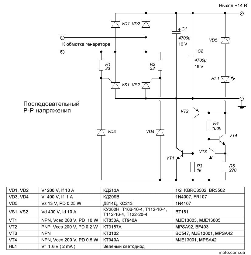
Фотографії повідомлення #1044941 теми форума «Реле - регулятори напруги для мото з однофазним генератором»

Фото 1
фото 1
Фото 2
фото 2
Фото 3
фото 3
Фото 4
фото 4
© 2001-2026, MOTO.com.ua - все про мотоцикли та скутери!   Зворотній зв'язок   Про нас   Реклама на сайті   Магазин