MOTO.com.ua
events
0
Події
Погода: Київ
06.05, 06:51
32
+15 °С
Вітер: 0 м./с., Півн
НовиниФорумОголошенняЖурналКаталогПривалКалендар
Реєстрація Вхід
?
Увійти
Допоможіть Армії, наближайте нашу Перемогу!
Галерея

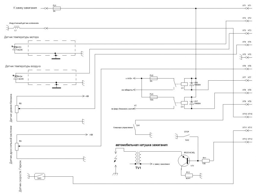
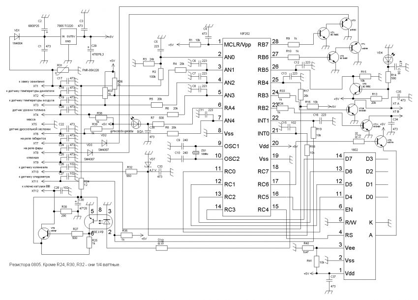
Фотографії повідомлення #105130 теми форума «Мото бортовой компьютер (MBK 2.4 Design by El).»

Фото 1
фото 1
Фото 2
фото 2
© 2001-2026, MOTO.com.ua - все про мотоцикли та скутери!   Зворотній зв'язок   Про нас   Реклама на сайті   Магазин