MOTO.com.ua
events
0
Події
Погода: Київ
24.05, 02:23
31
+15 °С
Вітер: 2 м./с., Півн
НовиниФорумОголошенняЖурналКаталогПривалКалендар
Реєстрація Вхід
?
Увійти
Допоможіть Армії, наближайте нашу Перемогу!
Галерея

Фотографії повідомлення #1365353 теми форума «Hyosung GT250, GT250R (корейские мотоциклы)»

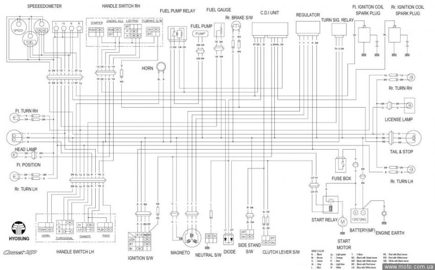
Фото 1
фото 1
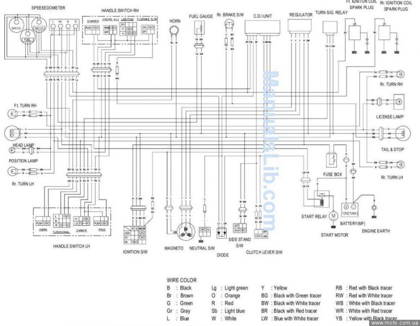
Фото 2
фото 2
© 2001-2026, MOTO.com.ua - все про мотоцикли та скутери!   Зворотній зв'язок   Про нас   Реклама на сайті   Магазин