MOTO.com.ua
events
0
Події
Погода: Київ
19.05, 02:56
44
+15 °С
Вітер: 1 м./с., Півд
НовиниФорумОголошенняЖурналКаталогПривалКалендар
Реєстрація Вхід
?
Увійти
Допоможіть Армії, наближайте нашу Перемогу!
Галерея

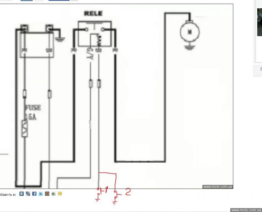
Фотографії повідомлення #1519980 теми форума «Мотоцикли с двигуном 162FMJ 150сс: Road Wanderer, Viking, LF150, LEOPARD, Spark, Comanche, Slider, Korsar 150, Flame, RING...»

Фото 1
фото 1
© 2001-2026, MOTO.com.ua - все про мотоцикли та скутери!   Зворотній зв'язок   Про нас   Реклама на сайті   Магазин