MOTO.com.ua
events
0
Події
Погода: Київ
16.05, 17:12
32
+26 °С
Вітер: 4 м./с., Пд-С
НовиниФорумОголошенняЖурналКаталогПривалКалендар
Реєстрація Вхід
?
Увійти
Допоможіть Армії, наближайте нашу Перемогу!
Галерея

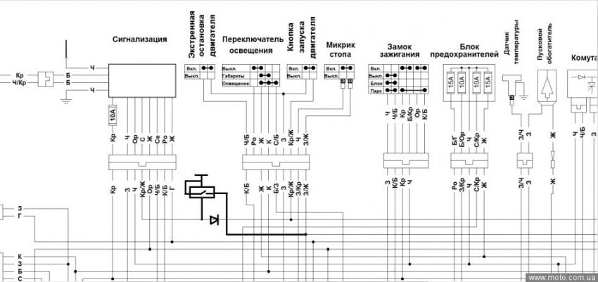
Фотографії повідомлення #1530438 теми форума «Viper Tornado 250: ремонт, обслуговування, експлуатація»

Фото 1
фото 1
© 2001-2026, MOTO.com.ua - все про мотоцикли та скутери!   Зворотній зв'язок   Про нас   Реклама на сайті   Магазин