MOTO.com.ua
events
0
Події
Погода: Київ
05.05, 19:38
32
+24 °С
Вітер: 2 м./с., Пд-З
НовиниФорумОголошенняЖурналКаталогПривалКалендар
Реєстрація Вхід
?
Увійти
Допоможіть Армії, наближайте нашу Перемогу!
Галерея

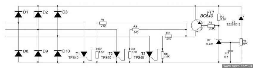
Фотографії повідомлення #1618718 теми форума «Реле - регулятори напруги для мото з однофазним генератором»

Фото 1
фото 1
© 2001-2026, MOTO.com.ua - все про мотоцикли та скутери!   Зворотній зв'язок   Про нас   Реклама на сайті   Магазин