MOTO.com.ua
events
0
Події
Погода: Київ
06.05, 06:49
32
+15 °С
Вітер: 0 м./с., Півн
НовиниФорумОголошенняЖурналКаталогПривалКалендар
Реєстрація Вхід
?
Увійти
Допоможіть Армії, наближайте нашу Перемогу!
Галерея

Фотографії повідомлення #229413 теми форума «Мото бортовой компьютер (MBK 2.4 Design by El).»

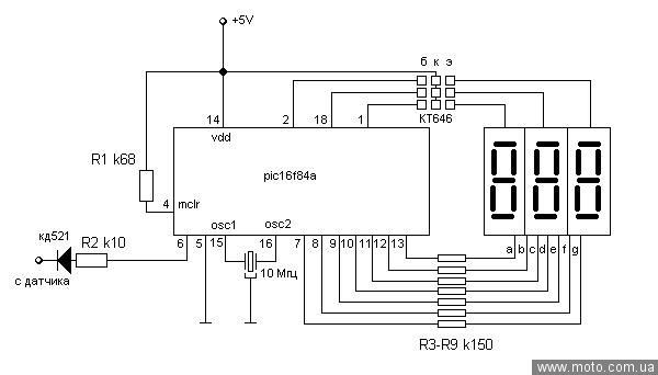
Фото 1
фото 1
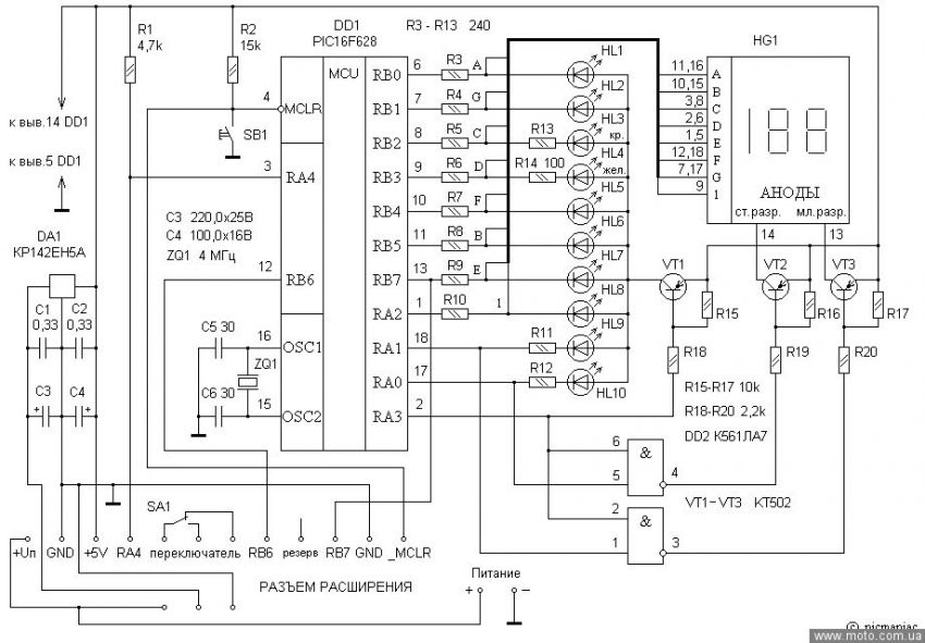
Фото 2
фото 2
© 2001-2026, MOTO.com.ua - все про мотоцикли та скутери!   Зворотній зв'язок   Про нас   Реклама на сайті   Магазин