MOTO.com.ua
events
0
Події
Погода: Київ
10.05, 06:54
11
+13 °С
Вітер: 2 м./с., Півн
НовиниФорумОголошенняЖурналКаталогПривалКалендар
Реєстрація Вхід
?
Увійти
Допоможіть Армії, наближайте нашу Перемогу!
Галерея

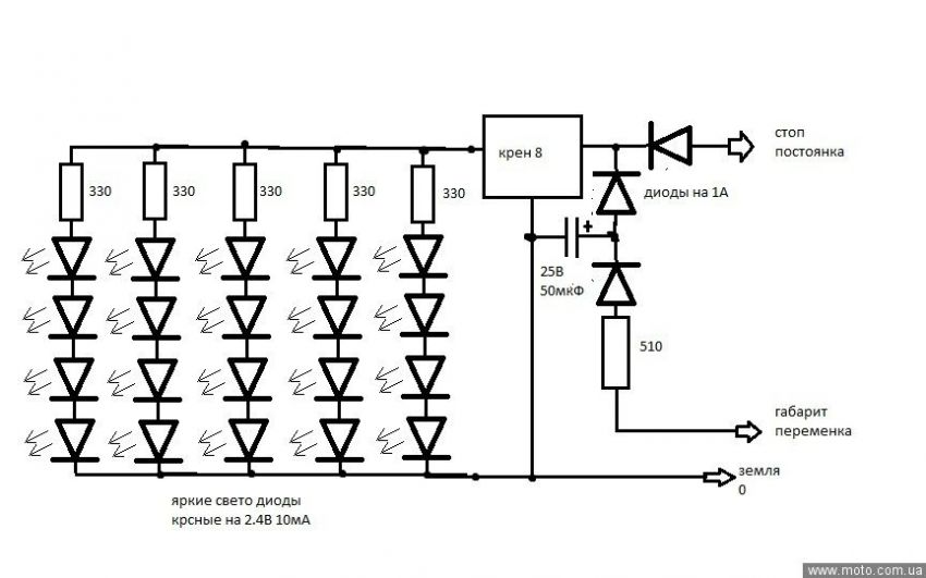
Фотографії повідомлення #449621 теми форума «Как бы замутить светодиодный стоп и габарит в одном флаконе...»

Фото 1
фото 1
© 2001-2026, MOTO.com.ua - все про мотоцикли та скутери!   Зворотній зв'язок   Про нас   Реклама на сайті   Магазин