MOTO.com.ua
events
0
Події
Погода: Київ
19.04, 15:18
44
+13 °С
Вітер: 1 м./с., Пн-С
НовиниФорумОголошенняЖурналКаталогПривалКалендар
Реєстрація Вхід
?
Увійти
Допоможіть Армії, наближайте нашу Перемогу!
Галерея

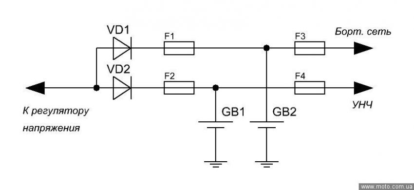
Фотографії повідомлення #504807 теми форума «2 АКБ на скутере - варианты, идеи, возражения.»

Фото 1
фото 1
Фото 2
фото 2
Фото 3
фото 3
© 2001-2026, MOTO.com.ua - все про мотоцикли та скутери!   Зворотній зв'язок   Про нас   Реклама на сайті   Магазин