MOTO.com.ua
events
0
Події
Погода: Київ
03.05, 01:50
44
+10 °С
Вітер: 0 м./с., Пд-З
НовиниФорумОголошенняЖурналКаталогПривалКалендар
Реєстрація Вхід
?
Увійти
Допоможіть Армії, наближайте нашу Перемогу!
Галерея

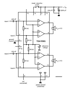
Фотографії повідомлення #506084 теми форума «Вот вам схема усилителя на TDA1558Q и всего пяти деталях»

Фото 1
фото 1
© 2001-2026, MOTO.com.ua - все про мотоцикли та скутери!   Зворотній зв'язок   Про нас   Реклама на сайті   Магазин