MOTO.com.ua
events
0
Події
Погода: Київ
05.05, 22:22
31
+19 °С
Вітер: 3 м./с., Пд-З
НовиниФорумОголошенняЖурналКаталогПривалКалендар
Реєстрація Вхід
?
Увійти
Допоможіть Армії, наближайте нашу Перемогу!
Галерея

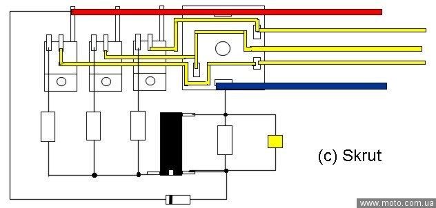
Фотографії повідомлення #554288 теми форума «Реле - регулятори напруги для мото з однофазним генератором»

Фото 1
фото 1
Фото 2
фото 2
© 2001-2026, MOTO.com.ua - все про мотоцикли та скутери!   Зворотній зв'язок   Про нас   Реклама на сайті   Магазин