MOTO.com.ua
events
0
Події
Погода: Київ
03.05, 00:34
44
+10 °С
Вітер: 3 м./с., Пд-З
НовиниФорумОголошенняЖурналКаталогПривалКалендар
Реєстрація Вхід
?
Увійти
Допоможіть Армії, наближайте нашу Перемогу!
Галерея

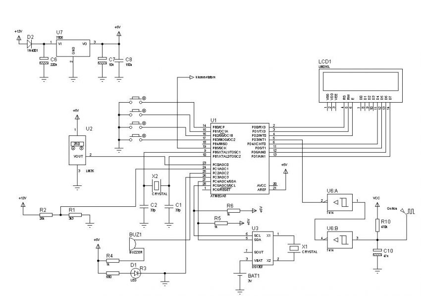
Фотографії повідомлення #61864 теми форума «Бортовой компьютер для мотоцикла/скутера - разработка и обсуждение»

Фото 1
фото 1
© 2001-2026, MOTO.com.ua - все про мотоцикли та скутери!   Зворотній зв'язок   Про нас   Реклама на сайті   Магазин