MOTO.com.ua
events
0
Події
Погода: Київ
16.05, 11:00
32
+20 °С
Вітер: 4 м./с., Півд
НовиниФорумОголошенняЖурналКаталогПривалКалендар
Реєстрація Вхід
?
Увійти
Допоможіть Армії, наближайте нашу Перемогу!
Галерея

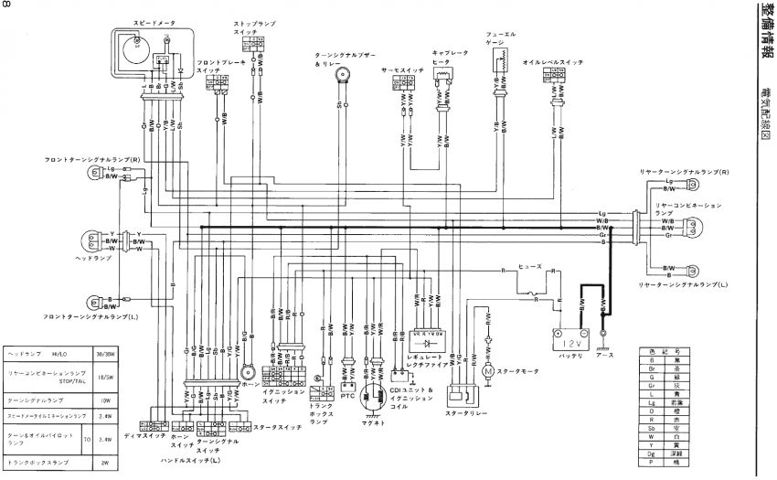
Фотографії повідомлення #642813 теми форума «Suzuki Sepia/Adress - ремонт, експлуатація, загальні питання.»

Фото 1
фото 1
© 2001-2026, MOTO.com.ua - все про мотоцикли та скутери!   Зворотній зв'язок   Про нас   Реклама на сайті   Магазин