MOTO.com.ua
events
0
Події
Погода: Київ
16.05, 12:14
32
+20 °С
Вітер: 5 м./с., Півд
НовиниФорумОголошенняЖурналКаталогПривалКалендар
Реєстрація Вхід
?
Увійти
Допоможіть Армії, наближайте нашу Перемогу!
Галерея

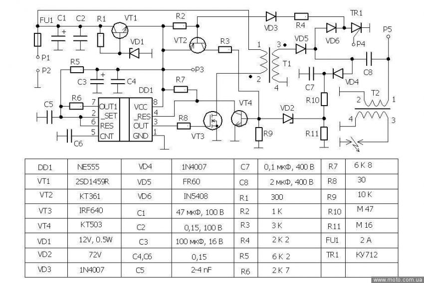
Фотографії повідомлення #686390 теми форума «Схемы оригинальных комутаторов CDI»

Фото 1
фото 1
Фото 2
фото 2
© 2001-2026, MOTO.com.ua - все про мотоцикли та скутери!   Зворотній зв'язок   Про нас   Реклама на сайті   Магазин