MOTO.com.ua
events
0
Події
Погода: Київ
07.05, 22:06
29
+18 °С
Вітер: 5 м./с., Пд-З
НовиниФорумОголошенняЖурналКаталогПривалКалендар
Реєстрація Вхід
?
Увійти
Допоможіть Армії, наближайте нашу Перемогу!
Галерея

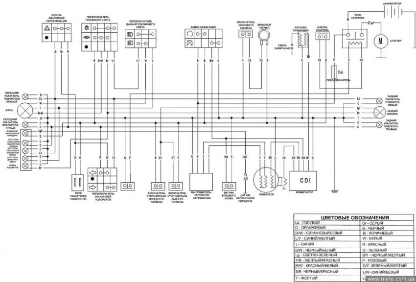
Фотографії повідомлення #757185 теми форума «Мотоцикли з двигуном 156-157FMI (Honda CG125сс)»

Фото 1
фото 1
Фото 2
фото 2
Фото 3
фото 3
Фото 4
фото 4
Фото 5
фото 5
Фото 6
фото 6
Фото 7
фото 7
Фото 8
фото 8
Фото 9
фото 9
Фото 10
фото 10
© 2001-2026, MOTO.com.ua - все про мотоцикли та скутери!   Зворотній зв'язок   Про нас   Реклама на сайті   Магазин