MOTO.com.ua
events
0
Події
Погода: Київ
05.05, 11:03
32
+20 °С
Вітер: 2 м./с., Пд-З
НовиниФорумОголошенняЖурналКаталогПривалКалендар
Реєстрація Вхід
?
Увійти
Допоможіть Армії, наближайте нашу Перемогу!
Галерея

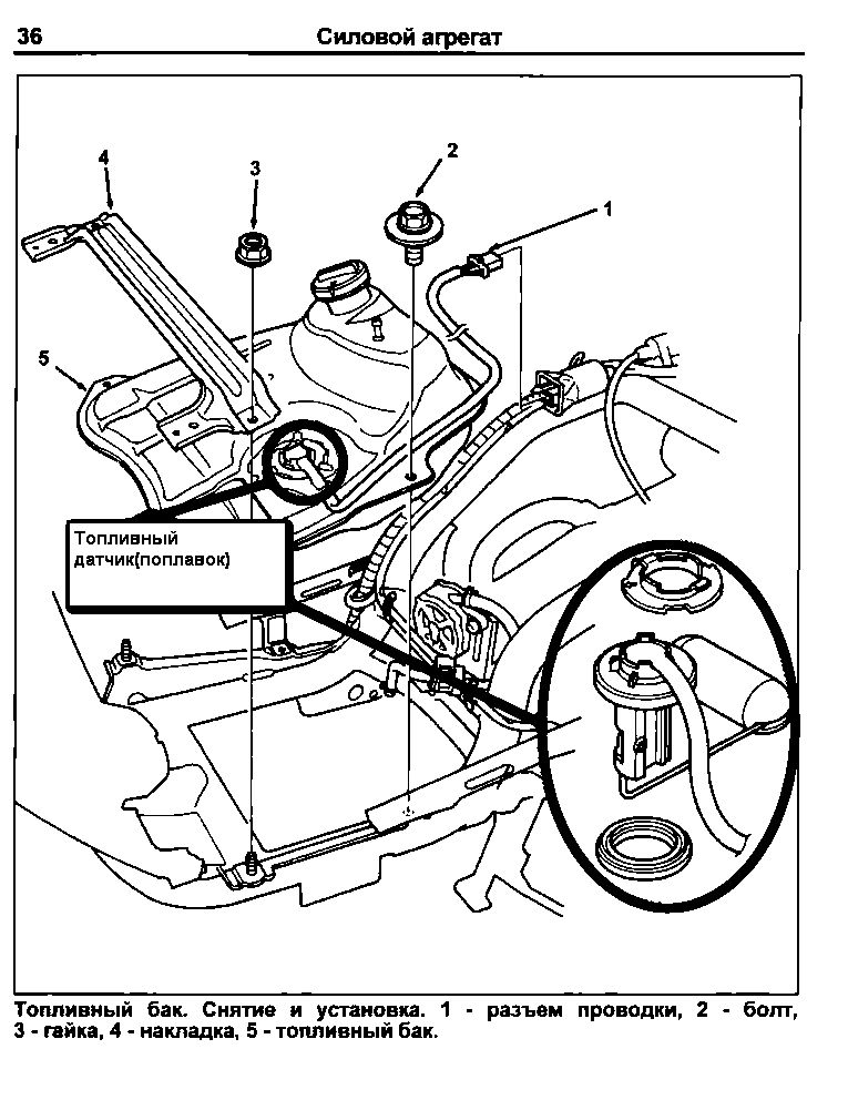
Фотографії повідомлення #757941 теми форума «Honda Lead (Joker, Cabina): Тема майстра - Леадовода!»

Фото 1
фото 1
© 2001-2026, MOTO.com.ua - все про мотоцикли та скутери!   Зворотній зв'язок   Про нас   Реклама на сайті   Магазин