MOTO.com.ua
events
0
Події
Погода: Київ
05.05, 10:06
32
+20 °С
Вітер: 2 м./с., Зах
НовиниФорумОголошенняЖурналКаталогПривалКалендар
Реєстрація Вхід
?
Увійти
Допоможіть Армії, наближайте нашу Перемогу!
Форум
Шукати

Honda MF06 (Forza 250, Jazz 250, Reflex 250, Nss 250: a,s,as,t,st) 2001-2007 г.в.

Переглядів: 881312
23.09.2011 р.
answerview
Показати повідомлення



ИСТОРИЯ ПРОИЗВОДСТВА

ТЕХНИЧЕСКИЕ ХАРАКТЕРИСТИКИ:

Производитель: Honda Motor Co., Ltd.
Модель: MF06
Года выпуска, год: 2000 - 2007
Модель кузова: BA-MF06
Модель двигателя: MF04E (карбюраторный)
Максимальная выходная мощность: 16 кВт (22 л.с.) / 7000 об/мин
Максимальный крутящий момент: 24 Н·м (2,4 кг·м) / 5500 об/мин
Длина/Ширина/Высота, мм: 2325х760х1360
Колесная база, мм: 1545
Высота по седлу, мм: 130
Снаряженная масса, кг: 172
Кол-во посадочных мест: 2
Высота по седлу (м): 0,720
Минимальный радиус поворота (м): 2,5
Расход 1 литра топлива расчетный, км: 41 (при скорости 60 км/ч)
Объем бензобака, л.: 12,00
Кол-во цилиндров, тип ГБЦ: 1, OHC
Диаметр цилиндра х ход поршня (мм): 72,7х60,0
Объем цилиндров, сс>: 249
Передаточное число (пер./втор.): 2,714/2,533
Степень сжатия: 10.5:1
Тормозная система: "CBS" (Combined braking system) или "ABS&CBS" (Anti-lock braking system & Combined braking system)
Тормозной путь, м (км/ч): 26...28 (60)
Минимальный радиус поворота, м: 2
Шины передние: 110/90-13  55P (бескамерная)
Шины задние: 130/70-12 56L (130/80-12 61TL)(140/70-12)(бескамерная)
Длинна задних амортизаторов: 400 мм
Ход передних амортизаторов: 90 мм
Ход задних амортизаторов: 100 мм
Модификации:
Компания Honda Motor Co., Ltd. предложила шесть версий скутера с различной комплектацией:
FORZA 250 (только CBS),
FORZA 250A (с ABS и CBS ),
FORZA 250S (Sport с CBS),
FORZA 250AS (Sport с ABS и CBS),
FORZA T (Sport с ABS и CBS, без Engine Idling Stop)
FORZA ST (все модификации + заводской центральный кофр) - максимальная комплектация.
Названия модели для продаж в разных странах мира:
HONDA FORZA 250 - для продажи в Японии.
HONDA REFLEX 250 - для продажи в США и Канаде.
HONDA JAZZ 250 - для продажи в странах Европы.

ФОТОГРАФИИ ИЗ ИНЭТА (история):




















ФОТОГРАФИИ ИЗ ИНЭТА:













ЗАПЧАСТИ:

1. РЕМЕНЬ ВАРИАТОРА

ОРИГИНАЛЬНЫЙ

Производитель: BANDO
Код по каталогу: 23100-KFG-003 (заменен  на: 23100-KFG-641)
Габаритные размеры:  950 х 23.2 х 30 х 10.6 мм
Лимит сработки по мануалу:  22.0 мм

ОРИГИНАЛЬНЫЙ ЗАМЕНЕННЫЙ

Производитель: BANDO
Код по каталогу: 23100-KFG-641
Габаритные размеры:  953 х 23.2 х 30 х 11 мм
Лимит сработки по мануалу:  22.0 мм

ФОТО





ПРИМЕНЯЕМЫЕ АНАЛОГИ

BANDO

Производитель: BANDO
Код по каталогу: 23100-KTB-003 (от HONDA PS250)
Габаритные размеры:  953 х 23,2 х 30 х 11 мм
Лимит сработки по мануалу:  22,0 мм




DAYCO

Производитель: DAYCO
Код по каталогу: 8116K (от PIAGGIO X9 250)
Габаритные размеры: 952 х 23,5 х 11

GATES

Производитель: GATES
Код по каталогу: 30902

GATES

Производитель: GATES
Код по каталогу: 9802-31902


ИНФО


Подходит "от" и "к": FES-250 Foresight '98

2. ЛАМПЫ ДЛЯ ФАР

Цоколь: Н7
Напряжение: 12V
Мощность: 55W (рекомендуемая для ламп накаливания)
worldofpowersports.com


3. ВОЗДУШНЫЙ ФИЛЬТР

ОРИГИНАЛЬНЫЙ

Код по каталогу: 17210-KFG-010

АЛЬТЕРНАТИВНАЯ ЗАМЕНА

Аналог: HIFLO HFA1211

Производитель: HIFLO
www.hiflofiltro.com
www.dakarauto.com.ua


Аналог: НА-2500-1

Производитель: K&N



Подходит "от" и "к" моделям:
2006 HONDA PS250 BIG RUCKUS 250 - All      
2006 HONDA NSS250S REFLEX SPORT 250 - All      
2006 HONDA NSS250 REFLEX 250 - All      
2005 HONDA PS250 BIG RUCKUS 250 - All      
2005 HONDA NSS250S REFLEX SPORT 250 - All      
2005 HONDA NSS250 REFLEX 250 - All      
2005 HONDA NSS250 JAZZ 250 - All      
2004 HONDA NSS250S REFLEX SPORT 250 - All      
2004 HONDA NSS250 REFLEX 250 - All      
2004 HONDA NSS250 JAZZ 250 - All      
2003 HONDA NSS250 REFLEX 250 - All      
2003 HONDA NSS250 JAZZ 250 - All      
2002 HONDA NSS250 REFLEX 250 - All      
2002 HONDA NSS250 JAZZ 250 - All      
2001 HONDA NSS250 REFLEX 250 - All      
2001 HONDA NSS250 JAZZ 250 - All      
2001 HONDA NSS250 FORZA 250 - All      
2001 HONDA NES250 JAZZ 250 - All      
2000 HONDA NSS250 FORZA 250 - All      
1999 HONDA FES250 FORESIGHT 250 - All      
1998 HONDA FES250 FORESIGHT 250 - All


4. СВЕЧА

Применение:
DPR6EA-9 (в холодную пору, ниже +5°С )
DPR7EA-9 (стандартная комплектация)
DPR8EA-9 (при езде на повышенных оборотах)
DPR8EIX-9 (более прочная ИРИДИЕВАЯ)
Зазор по мануалу (мм): 0,80 - 0,90
Расшифровка индекса названия:
D - диаметр резьбовой части 12мм, под ключ 18мм;
P - смещенный вперед наконечник изолятора
R - опорный резистор;
8 - тепловой номинал (калильное число);
E - длина резьбовой части 19мм;
А - особый дизайн;
9 - зазор свечи 9мм.

КАТАЛОГ - NGK
КАТАЛОГ - DENSO

Обычная свеча NGK DPR8EA-9
Дакар авто
Мото квартал


Иридиевая свеча DPR8EIX-9
Ссылка на сайт



5. ШКИВЫ ВАРИАТОРА

Стандартный передний шкив  вариатора

Ссылка на сайт
Тюнинговый шкив вариатора J. Costa: JC643FS

Ссылка на сайт J.Costa
Форум

6. ТОРМОЗНЫЕ КОЛОДКИ

КОЛОДКИ СТОК

ПЕРЕДНИЕ

Код по каталогу: 06455-KPB-416 (или 406)














ЗАДНИЕ

Код по каталогу (сток): 06435-KPB-026 (или 016)








ФОТО ОРИГИНАЛА

ЗАМЕНА ОРИГИНАЛА

FERRODO

ПЕРЕДНИЕ

Код по каталогу: FDB2075P, FDB2073


ЗАДНИЕ

Код по каталогу: FDB754P, FDB2130



EBC

ПЕРЕДНИЕ

Код по каталогу: FA281


ЗАДНИЕ

Код по каталогу: SFA358



TRW-Lucas

ПЕРЕДНИЕ

Код по каталогу: MCB704 (MCB704SRM - металлокерамические)


ЗАДНИЕ

Код по каталогу: MCB634



Магазин: moto.com.ua
Передние: MCB704
Задние: MCB634



7. РЕДУКТОР

Редуктор Polini

Ссылка

8. САЛЬНИКИ ВИЛКИ

Сальники Athena
Типоразмер, мм: 33х46х11
Модель: AT P40FORK455026
Тип: MGR-RSA
Ссылка


9. РОЛИКИ ВАРИАТОРА

Код по каталогу: 22123-KPB-000
Габаритные размеры, мм: 23 x 18
Количество, шт.: 6 (2 пары разного веса по 3 шт.)
Сумарный вес (сток), гр.: 156
Вес одного ролика (сток), гр.: 21 (белый)
Вес одного ролика (сток), гр.: 31 (черный)
Применяемые комбинации, шт. х гр.:
- (3 х 21)+(3 х 31)=156 гр. (присутствует провал при разгоне)(сток);
- (3 х 25)+(3 х 27)= 156 гр. (провал при разгоне минимальный);
Применяемые аналоги: от SYM GTS300, SYM Citycom

ТАБЛИЦА ХАРАКТЕРИСТИК:



ФОТО





ИНФОРМАЦИЯ ДЛЯ ПРАВИЛЬНОЙ УСТАНОВКИ РОЛИКОВ

РОЛИКИ БЫВАЮТ::
1. Разборные - оболочка завальцована с одной стороны (наша ситуация).
2. Не разборные - оболочка завальцована с двух сторон (нет разницы как устанавливать в вариатор).

Разборные ролики нужно ставить так, чтобы при вращении вариатора ролик упирался завальцованной стороной (оболочкой) в плоскость ограничительных выступов вариатора против его вращения (см. фото №1).



ВНИМАНИЕ!
Установка роликов критична. Не правильная установка роликов влечет за собой повреждение вариатора.

Информация

10. ТОРМОЗНЫЕ ДИСКИ

10.1. ПЕРЕДНИЙ

Код по каталогу: 45351-KFG-003
Габариты:
Диаметр наружный, мм: 240
Диаметр внутренний, мм: 105
Толщина, мм: 4
Лимит сработки по мануалу, мм: 3,5
Кол.-во крепежных отв., шт.: 4
Тип: перфорированные
Особенности: потайные крепежные места


10.2. ЗАДНИЙ

Код по каталогу: 43251-KFK-000
Габариты:
Диаметр наружный, мм: 220
Диаметр внутренний, мм: 105
Толщина, мм: 5
Лимит сработки по мануалу, мм: 4
Кол.-во крепежных отв., шт.: 4
Тип: перфорированные
Особенности: потайные крепежные места

Подходит от:
HONDA CBR 600 R C-ABS RA9,RAA       2009-2010
HONDA CBR 600 RR       RR3,RR4       2003-2004
HONDA CBR 600 RR       RR5,RR6       2005-2006
HONDA CBR 600 RR RR7,RR8,RR9,RRA    2007-2010
HONDA CBR 600 RR Hannspree       2008
HONDA CBR 600 SE       1998
HONDA CBR 600 SJR       1996
HONDA CBR 900 RR Fireblade N,P       1992-1993
HONDA CBR 900 RR Fireblade R,S       1994-1995
HONDA CBR 900 RR Fireblade T,V       1996-1997
HONDA CBR 900 RR Fireblade W,X       1998-1999
HONDA CBR 900 RR Fireblade (Japan)       1998-1999
HONDA CBR 900 RR Fireblade (Japan)       2000-2003
HONDA CBR 929 RR Fireblade       2000-2001
HONDA CBR 954 RR Fireblade       2002-2003
HONDA FES 125 Phantheon 3,4,5,6,7       2003-2007
HONDA FES 150 Phantheon 3,4,5       2003-2006
HONDA FES 250 Foresight Euro-2       1998-
HONDA FES 250 Foresight SE Y,1-5       2000-2005
HONDA NSS 250 Forza       2000-2004
HONDA NSS 250 Forza S       2000-2003
HONDA NSS 250 Forza ST A1,A2       2001-2002
HONDA NSS 250 Forza T 1,2       2001-2002
HONDA NSS 250 Forza X C3       2003
HONDA NSS 250 Forza X C6       2006
HONDA NSS 250 Jazz       2001-2004
HONDA NSS 250 Jazz ES-ABS       2001-2004
HONDA NSS 250 Reflex       2001-2007
HONDA NSS 250 Reflex ABS A       2001-2007
HONDA NSS 250 Reflex Sport S       2004-2007
HONDA NSS 250 Reflex Sport ABS AS       2004-2007
HONDA RVT 1000 R       2004-2006
HONDA VTR 1000 Firestorm / SuperHawk      1997-2006
HONDA VTR 1000 SP-1       2000-2001
HONDA VTR 1000 SP-1 (Japan)             2000-2004
HONDA VTR 1000 SP-2       2002-2007
HONDA VTR 250       W,Y,1-9       1998-2010
PEUGEOT SV 250       2001-2002
Ссылка

АЛЬТЕРНАТИВНАЯ ЗАМЕНА

Производитель: Китай
Показали достойные эксплуатационные характеристики.
10.3. ПЕРЕДНИЙ

10.4. ЗАДНИЙ



11. АМОРТИЗАТОРЫ ПЕРЕДНИЕ

Код по каталогу: 51400-KPB-013 (FORK ASSY., R. FR.) - правый
Код по каталогу: 51500-KPB-013 (FORK ASSY., L. FR.) - левый
Ссылка

РЕМОНТ

Рекомендуемый объем масла на каждое перо составляет 121 см3;.



12. АМОРТИЗАТОРЫ ЗАДНИЕ

1. ЗАВОДСКИЕ (сток)

Код по каталогу: 52400-KPB-J11
Длинна, мм: 400
Ход штока, мм: 100


2.АЛЬТЕРНАТИВНАЯ ЗАМЕНА

2.1. АМОРТИЗАТОРЫ BITUBO

Производитель: BITUBO
Длинна, мм: 400
Ход штока, мм: 100
Код по каталогу: SC151YGB02
Особенность: газонаполненные
Ссылка

Каталог амортизаторов BITUBO.


2.2. АМОРТИЗАТОРЫ YSS

Производитель: YSS
Код по каталогу: TG302-400TRC-01
Длинна, мм: 400
Ход штока, мм: 100
Особенность: газомаслянные с наружным газовым цилиндром
Ссылка

Расшифровка кода:

Информация

2.3. АМОРТИЗАТОРЫ YSS

Производитель: YSS
Код по каталогу: TD220-400P-03
Длинна, мм: 400
Ход штока, мм: 100
Особенность: масляные, диаметр штока 10 мм, цена ~1000 грн +доставка
Ссылка

Расшифровка кода:

Информация

2.4. АМОРТИЗАТОРЫ YSS

Производитель: YSS
Код по каталогу: TE302-400T-03AL
Длинна, мм: 400
Ход штока, мм: 100
Особенность: газонаполненные, усиленные, диаметр штока 12 мм, цена ~2260 грн +доставка
Ссылка

Расшифровка кода:

Информация

2.5. АМОРТИЗАТОРЫ YSS

Производитель: YSS
Код по каталогу: TE302-400T-03EAL
Длинна, мм: 400
Ход штока, мм: 100
Особенность: газомаслянные, усиленные, диаметр штока 12 мм, цена ~3295 грн +доставка
Ссылка


Расшифровка кода:

Информация



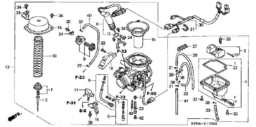
13. МЕМБРАНА УСКОРИТЕЛЬНОГО НАСОСА

Код по каталогу: 16048-KFG-000 (комплект: крышка, пружина, мембрана) поз. № 26
Ссылка


Альтернативная замена: Viper Tornado 250


14. ШИНЫ

1.1. ПЕРЕДНЯЯ

Типоразмерр: 110/90-13
Производитель: BRIDGESTONE

Производитель: METZELER
Модель: METZELER ME 7-Teen, METZELER Feel Free


1.2. ЗАДНЯЯ

130/70-12

Типоразмерр: 130/70-12
Производитель: BRIDGESTONE

Производитель: METZELER
Модель: METZELER ME 7-Teen, METZELER Feel Free

Производитель: DUNLOP

Производитель: KENDA
Модель: KENDA K413, KENDA K701, KENDA K763




130/80-12

Типоразмерр: 130/80-12
Производитель: PIRELLI
Модель: SL 60


140/70-12

Типоразмерр: 140/70-12
Производитель: BRIDGESTONE

Производитель: METZELER
Модель: METZELER ME 7-Teen, METZELER Feel Free

Производитель: DUNLOP
Модель: GT301

Производитель: KENDA
Модель: KENDA K413



Некоторые сайты для заказа:
shop.roadmasters.com.ua
avtodisk-mk.com.ua
kenda.com.ua
Имело место установка автомобильной шины типоразмера: 145/80-12


15. ЗАДНИЙ ТОРМОЗНОЙ СУППОРТ

Код по каталогу: 43150-KPB-016 (CALIPER SUB-ASSY.)

Ссылка



РЕМОНТ

№ 1

Ремонт кронштейна крепления суппорта 43110-KPB-006 (BRACKET, RR.) произведенный alexforza.
Ссылка.


№ 2


СЕРВИС МАНУАЛ:

ОНЛАЙН КАТАЛОГ ЗАПЧАСТЕЙ:

ФОТО МОЕГО КОНЯ:
























ФОТО АЛЬБОМЫ:

ССЫЛКИ НА ФОРУМЫ:

МАГАЗИНЫ И ЗАКАЗЫ

Официальные представители мотоциклов HONDA в Киеве:

Альянс Экопроект ООО
03005,г. Киев, просп. Победы, 25A
Тел./факс: 0 (44) 238 77 77
E-mail: info@honda-alians.com.ua

Днипро Мотор Инвест
03680, г. Киев, ул. Якутская, 14
Тел.: +380 44 205 59 77
Тел.: +380 44 205 59 66
E-mail: hotline@dmi.com.ua

Официальные представители мотоциклов HONDA в Украине:

Автоплаза ООО
58007, г. Черновцы,
ул. Гайдара, 1Л
Тел.: 0372-55-66-99
avtoplaza.ua

Автоцентр Подилля
21029, г. Винница, ул. Хмельницкое шоссе, 145
Тел.: 0 (432) 55 20 94
E-mail: sales@honda.vin.ua
www.honda.vn.ua

Автоцентр-М ЧП
95493, г. Симферополь,
ул. Киевская, 187
Тел.: 0 (652) 70 77 77
Тел.: 0 (652) 548288 /сервис/
E-mail:
honda4@avtodel.com
honda@avtodel.com
www.honda.avtodel.com

Аикон-Авто
36040, г. Полтава,
ул. Киевское шоссе, 31а
Тел.: 0 (532) 68 46 46
Факс:  0 (532) 68 46 47
E-mail: dinasta@aikon.pl.ua

Альфа Моторс ООО
61013, г. Харьков,
ул. Шевченко, 67
Тел.: 0 (57) 704 10 22, 23, 24,
E-mail: sales@honda.kh.ua
www.honda.kh.ua

Альянс Экопроект ООО
03005,г. Киев, просп. Победы, 25A
Тел./факс: 0 (44) 238 77 77
E-mail: info@honda-alians.com.ua

АрДа-Мото
ООО "Производственная группа "ДонВРС"
76014, Украина, г. Донецк,
ул. 50 лет СССР, 168
тел. +38 (050) 978 01 02
тел. +38 (067) 295 26 36
тел. +38 (062) 207 33 98
www.arda-moto.com

Ария Моторс ООО
79015, г. Львов,
ул. Городоцкая,306
Тел.: +380 32 245 25 85
E-mail: moto@aria.lviv.ua

Днипро Мотор Инвест
03680, г. Киев, ул. Якутская, 14
Тел.: +380 44 205 59 77
Тел.: +380 44 205 59 66
E-mail: hotline@dmi.com.ua

Дуэт-1 ООО
99053, Севастополь
ул. Руднева, 39/В
тел. (0692)944700
факс.(0692)537010
E-mail: sebastopol@avtodel.com
www.duet.avtodel.com

Карпаты Мотор ООО
76014, г. Ивано-Франковск,
ул. Ребета, 4-В
Тел.: +380 342 50 78 71
Факс: +380 342 50 36 87
E-mail: avtosalon@karpaty-motor.if.ua
www.karpaty-motor.if.ua

Макфорт ООО
69006, г. Запорожье,
ул. Леонова 12,
Тел.: +380 61 289 13 07,
Тел.: +380 61 289 13 08, 09(ф.)
E-mail: honda@honda-zp.com
Сервис
ул. Леонова, 1A,
Тел.: 0 (61) 222 88 00
www.honda-zp.com

Сателлит Моторс ООО
49080, г. Днепропетровск,
ул. Набережная победы 10К,
салон: +38 067-632-2626, +380 56 376-1000,
сервис: +38 067-632-1818, +38  050-361-7371
E-mail: satellitemotors@honda.dp.ua

Спецавтотехника Центр ООО
65026, г. Одесса
Салон: пл. Екатерининская, 5
Тел.: +38 048 738 54 54
Сервис: просп. Шевченко, 33А
Тел.:  +38 048 738 53 10
E-mail: power@honda-odessa.com
www.honda-odessa.com.ua

МАГАЗИНЫ

ЧЕРНЫЙ ЛИСТ

roadmasters.com.ua



СТАЙЛИНГ И ВСЕ ТАКОЕ

Альбом в ВКонтакте
Переговорное устройство
Лента светоотражающая на колесо
Фитинги, шланги, прочее.
Мото перчатки
Поворотник прозрачный, капля, хром
Мото блютуз гарнитура на шлем
Защита перьев передней вилки (можно изготовить из водопроводной трубы)
Металлизация пластика!!! и многое другое
Металлизация пластика и т.д.
Различные варианты перетяжки седений
Оригинальный метод изготовления кофров!!!
Гальваника (меднение, никелирование и т.д.)
Светодиодный фарш
Тюнинговое большое высокое  аэродинамическое гипер модное стекло 1
Тюнинговое большое высокое аэродинамическое гипер модное стекло 2
Тюнинговое большое высокое аэродинамическое стекло "GIVI" 3
Тюнинговое большое высокое аэродинамическое стекло "GIVI" 4
Тюнинговое большое высокое аэродинамическое стекло "GIVI" 5
Тюнинговое большое высокое аэродинамическое стекло "GIVI" 6
Реализация установки плавающих дисков!
Светодиодные кольца ангельские глазки
Порошковая покраска дисков, виниловый стайлинг и т.д., Житомир
Большой тормозной диск с проставкой для суппорта на переднее колесо
Сумка на бак Honda Reflex Tank Bag
Пошив седушек и много другое (г. Киев, ул. Электриков, 21 (2 этаж)
Телефон: 568-28-97, 8(067) 760-03-12
e-mail: f_r_d@i.ua)

Реализация прицепа для Forza MF06!!!
Аэродинамические резиновые обтекатели, защита рук
Пленка тонировочная "Llumar" (услуги тонирования, Киев)
Мото-куртка текстильная
Шлем (открытый) LS2 OF569 Clover

РЕМОНТ

ИНАЯ ПОЛЕЗНАЯ ИНФОРМАЦИЯ

Змінено: 24.02.2017 р., CheRcheL
1
like
1
good
bad
shockingly
1••46474849505152••127
17.10.2013 р. відповів для CheRcheL  
answerview
Ты где пропал? Все хорошо у тебя? 01_smile
like
good
bad
shockingly
24.10.2013 р. відповів для REVOLT  
answerview
Здесь все гдето бесследно пропали 06_question
like
good
bad
shockingly
25.10.2013 р. відповів для REVOLT  
answerview
Ты где пропал? Все хорошо у тебя? 01_smile
Я не пропал, просто писать было нечего. Вчера был у этих "МАСТЕРОВ" так они поменяли моторчик привода вариатора, и говорят что сейчас все нормально. Во вторник буду забирать, так что проверю. Так моторчик стоит 70 долларов, а блок управления который они мне рекомендовали заменить стоит 9 тысяч гривен, есть разница)))) Так что на следующей неделе отпишусь, ушла проблема или нет.
like
good
bad
shockingly
25.10.2013 р. відповів для budnikov  
answerview
То сообщение что писал  REVOLT было адресовано для CheRcheL. Смотри над сообщением для кого адресовано. Напичкали эту MF-08 разными прибамбасами что хрен кто разберется кроме япошек) Дай Бог чтобы после замены моторчика все работало! Удачи!!!
like
good
bad
shockingly
26.10.2013 р. відповів для alexforza  
answerview
Ктото менял подшипники рулевой колонки? Какие их размеры и от чего подходит?
like
good
bad
shockingly
27.10.2013 р. відповів для REVOLT  
answerview
Спасибо за беспокойство Димас!  42_friends
Да этот проклятый интЫрнет всему виной!  10_ireful2  27_dash
Скоро напишу отчет об этом. С человеком серьезно отнеслись к данному вопросу, может даже слишком  94_prankster
like
good
bad
shockingly
27.10.2013 р.
answerview
ВСЕМ СНОВА ПРЭВЭД!!!  58_preved
Звинясь за столь долгий провал тут, были проблемы с гребаным интЫрнетом...
Скоро расскажу что да чего, может кому-то моя ситуация поможет улучшить то, что уже есть  16_roll
Уже исправляюсь, догоняю остальных, дочитываю последнюю инфу  97_topickonesnose
like
good
bad
shockingly
10.11.2013 р. відповів для budnikov  
answerview
(budnikov) Не подскажешь размер ремня на модель MF-08
like
good
bad
shockingly
10.11.2013 р.
answerview
Всем привет!
Через три дня собираемся с другом поехать в Крым, в город Керчь. По картам гугл маршрут составит 802 км в одну сторону. Планируем побыть там дня три. В первый день отдохнуть, погулять по Керчи, а в следующие поездить по Крыму, покататься, подышать свежим Крымским воздухом, посмотреть на осенний Крым.  01_smile
like
good
bad
shockingly
10.11.2013 р. відповів для REVOLT  
answerview
Очень интересно будет посмотреть отчет!!!
Удачки Вам и ровных дорог!!! 18_good
Дима , а что такую пору года-позднюю осень выбрали?
like
good
bad
shockingly
10.11.2013 р. відповів для Jenuar  
answerview
Все получилось вообще спонтанно  03_biggrin  Катали ночью с друзьями, и тут один зарядил: " Я поеду в Керчь через неделю. Туда и сразу обратно." Я ему пояснил, что будет тяжело физически, все таки это дорога... И тут мы с женой подумали, а почему бы не присоединиться, но не на один день, а продлить путешествие.. Он согласился. Вот так и вышло  01_smile  Погода держится хорошая, температура в районе +8+10 вполне нормальная, оденемся хорошо и в путь!  17_wink

Заодно докатаю вторую заднюю покрышку за этот сезон  08_lol
like
good
bad
shockingly
11.11.2013 р. відповів для REVOLT  
answerview
Давай пацаны,вперед!!!!Полторы штуки км Это фигня молодым и здоровым. 18_good Будет о чем в старости вспоминать со слезами на глазах!И почему,когда был при силе не ездил дальше,больше,чаще.Я этим летом и то сподобился.За 2.5 дня проехал 1750км на Браво 260.Так что,ни гвоздя,ни жезла!!!! 20_drinks
....и это пройдет.
like
good
bad
shockingly
11.11.2013 р.
answerview
Я вот всё мечтаю по Карпатам покататся!!!
like
good
bad
shockingly
11.11.2013 р. відповів для REVOLT  
answerview
Жалко что через Красноперекопск не проезжаете, а то встретились бы, пообщались.Ровной дороги
like
good
bad
shockingly
11.11.2013 р.
answerview
Всем спасибо за теплые слова! Но меня огорчили, сорвалась поездка наша. Второй парень не смог по личным обстоятельствам, так сказать всех настроил, а сам подвел малехо  03_biggrin  Вот задумываемся о поездке в Грузию в мае. Надо спросить приймут ли они нас в свою команду...
like
good
bad
shockingly
14.11.2013 р.
answerview
Народ подскажите  плиз. К сиденью идут два провода. Для чего они?
like
good
bad
shockingly
14.11.2013 р. відповів для Renat420  
answerview
У меня нет такого, видимо у тебя сидение с подогревом..
like
good
bad
shockingly
15.11.2013 р. відповів для REVOLT  
answerview
И как оно работает или включается?
like
good
bad
shockingly
15.11.2013 р. відповів для Renat420  
answerview
Должно включаться, подробнее ничего не скажу, т.к. не в курсе, у меня ж нету этой опции..
like
good
bad
shockingly
15.11.2013 р. відповів для Renat420  
answerview
И как оно работает или включается?
С ДНЁМ РОЖДЕНИЯ!!! Подогрев сидения у меня включается когда захочет в холод 03_biggrin ,но летом не включается и то хорошо. 15_badgrin
ЕДУ КУДА ХОЧУ!
like
good
bad
shockingly
1••46474849505152••127
© 2001-2026, MOTO.com.ua - все про мотоцикли та скутери!   Зворотній зв'язок   Про нас   Реклама на сайті   Магазин