MOTO.com.ua
events
0
Події
Погода: Київ
05.05, 22:46
31
+19 °С
Вітер: 3 м./с., Пд-З
НовиниФорумОголошенняЖурналКаталогПривалКалендар
Реєстрація Вхід
?
Увійти
Допоможіть Армії, наближайте нашу Перемогу!
Форум
Шукати

Реле - регулятори напруги для мото з однофазним генератором

Переглядів: 3682814, модератор: ed13hell
10.08.2008 р.
answerview
Показати повідомлення
        В цій темі публікуємо прогресивні та технічно правильні рішення 
Реле - Регуляторів, ПЕРЕВІРЕНІ,  підтверджені випробуваннями на реальній мото-техніці (цифрові показники в різних режимах роботы, схеми та фото виробів, по можливості відео випробувань).


Фото. 1, 2 - оригінальний регулятор напруги китайських мопедів Альфа/Дельта
(Honda Dio, Honda Cub) 
та подібних.

Фото. 3 - 11  - саморобні, перевірені схеми регуляторів напруги 
(
Ці схеми працездатні в бортовій мережі мото/мопеда/скутера при змінах, виконаних відповідно до фото №12)

Фото. 12 - Рекомендована схема підключення саморобного РЕГУЛЯТОРА.

Фото. 13 - Один з вариантів стенду для перевірки РЕГУЛЯТОРА.

Фото. 14 - Стенд для перевірки РЕГУЛЯТОРА (варіант 2).

Фото. 15 - Схема бортової мережі Альфа-Дельта-подібних мопедів.

  ВЕЛИКЕ ПРОХАННЯ: при розміщенні на інших ресурсах запозичених в цій темі схем, ОБОВ'ЯЗКОВО робіть посилання на дану тему і навпаки, при розміщенні будь яких схем з інших ресурсів, посилання на ці ресурси ОБОВ'ЯЗКОВЕ!

    Перед тим як задати питання по схемі регулятора напруги її автору,
УВАЖНО ПРОЧИТАЙТЕ:

  Шановні дописувачі, це тема про конкретні електронні прилади на технічному форумі, а не шоу екстрасенсів, а отже для того щоб автор схеми,  до якого Ви адресуєте своє повідомлення, не звертався за допомогою до шаманів з бубнами, а Ви отримали чітку кваліфіковану відповідь на ваші питання як мінімум БАЖАНО вказати:
1. Що у Вас за техніка, на якій конкретна схема використовується, а саме:
- тип двигуна;
- вид/тип генератора та його потужність;
- генератор штатний чи модернізований, якщо модернізований, то як?;
2. Аккумулятор:
- чи він взагалі є;
- його ємкість;
- його реальний стан (справність);
3. Конденсатор на виході регулятора напруги:
- чи він взагалі є;
- його характеристики (ємкість, тощо);
4. Наватаження (види і типи споживачів) на регулятор конкретно, а не типу "я нє помню сколько Ватт, прімєрно ХХ"...
5. Прикріпити до питання декілька якісних фото (бажано з максимальною роздільною здатністю), регулятора напруги щодо якого у Вас виникли питання, тим більше в теперішній час, з цим завданням може справитись любий, навіть дешевий китайський смартфон...
+ З метою меншого засмічування теми, для дрібних питань, до чи після основного, бажано використовувати можливості особистих повідомлень (лічки).
++ Дякуєм за порозуміння! З повагою!  


УВАГА!
Повідомлення з інформацією, яка не відповідає темі, флуд та всілякого роду "лірика" будуть видалятись без попереджень!
Каждый заблуждается в меру своей убежденности.
Змінено: 26.03.2019 р., ed13hell
Прикріплені зображеннявідкрити у галереї
1
like
1
good
bad
shockingly
17.03.2016 р. відповів для Gustav  
answerview
Амперметр покаже ефективне значення струму, що і потрібно - адже важливо знати кількість електрики яка пройде через акум.
Вольтметр в моменти зупинок інформуватиме про ступінь зарядки.
Вы разговариваете на украинском? ... Зачем оно вам?
like
good
bad
shockingly
17.03.2016 р. відповів для Oleksa  
answerview
Амперметр покаже ефективне значення струму, що і потрібно - адже важливо знати кількість електрики яка пройде через акум.
Вольтметр в моменти зупинок інформуватиме про ступінь зарядки.

Можно маркировку амперметра увидеть?
like
good
bad
shockingly
17.03.2016 р. відповів для nyvkom  
answerview
Доброго Времени суток.
Попросил товарищ собрась регулятор по схеме с форума
схема прилагаеться, но пробле в том что не могу разобраться что и куда подключать, помогите!!!
заранее спасибо

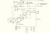
То что не понятно куда, так это выход на ножку затвора Р-канального полевика, который питает обогатитель. Это опция, для скутеров с обогатителем. Этот  полевик установливается на общем радиаторе , через изолирующую прокладку.
При переходе на не шунтирующие РР, обогатитель переводят с переменного тока от обмотки генератора, на питание постоянным током.  Как раз этот полевик и обеспечивает автоматическую подачу тока, только при работающем двигателе.
Схема в низу. Для иных мопедов, эта контактная площадка, просто не запаивается .
Змінено: 17.03.2016 р., Akademik
Прикріплені зображеннявідкрити у галереї
like
good
bad
shockingly
17.03.2016 р. відповів для Gustav  
answerview
Амперметр  постійного струму навчальний(для лабораторних робіт),   клас точності 4.0
Іншого маркування на ньому немає.
Вы разговариваете на украинском? ... Зачем оно вам?
Прикріплені зображеннявідкрити у галереї
like
good
bad
shockingly
18.03.2016 р. відповів для Oleksa  
answerview
Амперметр  постійного струму навчальний(для лабораторних робіт),   клас точності 4.0
Іншого маркування на ньому немає.

Почему вы решили что он измеряет эффективное значение тока?
В каком месте бортовой сети вы собрались его установить?
like
good
bad
shockingly
18.03.2016 р. відповів для Gustav  
answerview
Почему вы решили что он измеряет эффективное значение тока?

Струм від РР постійний пульсуючий. В таких випадках магнітоелектричні прилади внаслідок інерційності механіки показують не пікові значення струму, а  проміжне - яке рівне по дії і значенню відповідному постійному струму .
В каком месте бортовой сети вы собрались его установить?

Між запобіжником і акумою.
Вы разговариваете на украинском? ... Зачем оно вам?
like
good
bad
shockingly
18.03.2016 р. відповів для Oleksa  
answerview
Почему вы решили что он измеряет эффективное значение тока?

Струм від РР постійний пульсуючий. В таких випадках магнітоелектричні прилади внаслідок інерційності механіки показують не пікові значення струму, а  проміжне - яке рівне по дії і значенню відповідному постійному струму .

Эффективное значение это соответствие значению на активной нагрузке, а рамка прибора отнюдь не чисто активная нагрузка.
В каком месте бортовой сети вы собрались его установить?

Між запобіжником і акумою.

Я так спросил. а вдруг вы хотите через него стартер пропустить...
like
good
bad
shockingly
18.03.2016 р. відповів для Gustav  
answerview
Эффективное значение это соответствие значению на активной нагрузке, ...

Правильно
Амперметр, наприклад, вимірює ефективне значення струму через  акуму.
... а рамка прибора отнюдь не чисто активная нагрузка.

Ну і що?
Вимірювальні прилади  не відносяться до споживачів струму.
Активний опір магнітоелектричного приладу якщо і виконує якусь там роль то тільки "шкідливу" - від нагрівання рамка та вісь приладу розширюються, що знижує точність.
Я так спросил. а вдруг вы хотите через него стартер пропустить...

 01_smile
Вы разговариваете на украинском? ... Зачем оно вам?
like
good
bad
shockingly
18.03.2016 р. відповів для Oleksa  
answerview
Эффективное значение это соответствие значению на активной нагрузке, ...

Правильно
Амперметр, наприклад, вимірює ефективне значення струму через  акуму.
Почему вы решили что эфективное? Среднее

... а рамка прибора отнюдь не чисто активная нагрузка.

Ну і що?
Вимірювальні прилади  не відносяться до споживачів струму.
Вам так кажется. Если сопротивление измерительного шунта амперметра соизмеримо с сопротивлением цепи, то амперметр вносит ощутимую погрешность. В любом случае измерительный шунт потребляет. Кроме того выделяемое на нем напряжение измеряется уже обмоткой рамки и имеет реактивное сопротивление, что само по себе не подходит под определение измерения эффективного значения величины.
like
good
bad
shockingly
18.03.2016 р. відповів для Gustav  
answerview
Амперметр, наприклад, вимірює ефективне значення струму через  акуму.

Почему вы решили что эфективное? ...

Тому що споживається енергія струму яка перетворюється у внутрішню.
Вам так кажется. Если сопротивление измерительного шунта амперметра соизмеримо с сопротивлением цепи, то амперметр вносит ощутимую погрешность. В любом случае измерительный шунт потребляет.

Та ні! - Я про інше.
Амперметр не повинен змінювати струм в колі, так як наприклад термометр не змінює температуру вимірюваного тіла. Інакше вони вже не вимірювальні прилади, а щось інше ...)
Кроме того выделяемое на нем напряжение измеряется уже обмоткой рамки и имеет реактивное сопротивление, что само по себе не подходит под определение измерения эффективного значения величины.

Не знаю...  Скажіть, ... прошу, як і якими приладами  вимірюють ефективне значення сили струму? Я до цього часу вимірював такими як на фото - магнітоелектричними.
Ви ж кажете, що вони малопридатні: "Они не покажут вам значения тока и напряжения. Потому что форма сигнала далека от постоянной по значению".
Вы разговариваете на украинском? ... Зачем оно вам?
like
good
bad
shockingly
18.03.2016 р. відповів для Oleksa  
answerview
Амперметр, наприклад, вимірює ефективне значення струму через  акуму.

Почему вы решили что эфективное? ...

Тому що споживається енергія струму яка перетворюється у внутрішню.
Энергия в любом случае будет преобразована в тепло. Вопрос в том почему вы решили что показанное вам значение соответствует эффективному значению величины?

Вам так кажется. Если сопротивление измерительного шунта амперметра соизмеримо с сопротивлением цепи, то амперметр вносит ощутимую погрешность. В любом случае измерительный шунт потребляет.

Амперметр не повинен змінювати струм в колі, так як наприклад термометр не змінює температуру вимірюваного тіла. Інакше вони вже не вимірювальні прилади, а щось інше ...)

Мало ли что он не должен. Реальность такова что этот амперметр вносит свою погрешность в измерение. Называется систематическая погрешность. И всё равно остается измерительным прибором. Потому что его погрешность заложена в класс точности и должна быть отображена в документации и на самом приборе. Но эта погрешность посчитана для постоянного по направлению и значению тока. А вы собрались мерять ток с формой вобще не вменяемой...

рассказать как реализован этот прибор?

Минимальные погрешности вносят измерители тока на основе датчика Холла, а этот динозавр из прошлой эпохи.

Кроме того выделяемое на нем напряжение измеряется уже обмоткой рамки и имеет реактивное сопротивление, что само по себе не подходит под определение измерения эффективного значения величины.

Не знаю...  Скажіть, ... прошу, як і якими приладами  вимірюють ефективне значення сили струму? Я до цього часу вимірював такими як на фото - магнітоелектричними.

Буржуи пишут на таких приборах TrueRMS. Как наши маркируются я не помню. Даже не знаю. Надо поискать.
Потому как когда появились буржуйские приборы  вида портативного, наши были с четырьмя ножками и двумя ручками. Для переноски...
Змінено: 18.03.2016 р., Gustav
like
good
bad
shockingly
19.03.2016 р. відповів для Gustav  
answerview
Вопрос в том почему вы решили что показанное вам значение соответствует эффективному значению величины?

Ефективне  значення сили струму змінного струму міряють електромагнітними амперметрами, принцип дії яких такий самий як і магнітоелектричних, а різниця лише в тому, що рамка та мангніт в них поміняні місцями і другі більш точні та  призначені для вимірювання лише постійних струмів(одного напряму).
Теорія і практика дають одинаковий результат, що  ефективне значення сили струму синусоїдального   струму в SQRT(2) раз менше від максимального значення.
Тому очевидно, що випрямлений!!! синусоїдальний  змінний струм є постійним пульсуючим струмом з  таким же зфективним значенням як у змінного котре можна виміряти магнітоелектричним амперметром з достатньо високою точністю.
Опираючись на вищесказане, можна зробити висновок, що  струм який виходить з штатного РР
кабівського двигуна успішно можна вимірювати навчальним лабораторним амперметром з шкалою 2А та точністю близькою до 0,08А.
Вы разговариваете на украинском? ... Зачем оно вам?
Змінено: 19.03.2016 р., Oleksa
like
good
bad
shockingly
19.03.2016 р. відповів для Gustav  
answerview
...
Потому что его погрешность заложена в класс точности и должна быть отображена в документации и на самом приборе. Но эта погрешность посчитана для постоянного по направлению и значению тока. А вы собрались мерять ток с формой вобще не вменяемой...
рассказать как реализован этот прибор?

Розкажіть.
Вы разговариваете на украинском? ... Зачем оно вам?
like
good
bad
shockingly
19.03.2016 р. відповів для Oleksa  
answerview
Вопрос в том почему вы решили что показанное вам значение соответствует эффективному значению величины?

Ефективне  значення сили струму змінного струму міряють електромагнітними амперметрами, принцип дії яких такий самий як і магнітоелектричних, а різниця лише в тому, що рамка та мангніт в них поміняні місцями і другі більш точні та  призначені для вимірювання лише постійних струмів(одного напряму).

Можете показать такой прибор?

Теорія і практика дають одинаковий результат, що  ефективне значення сили струму синусоїдального   струму в SQRT(2) раз менше від максимального значення.
При чем тут синусоидальный сигнал? У вас постоянный ток с порезанным тиристром синусом. Коэффициент формы синусоидального сигнала здесь в спину никому не уперся.
Кроме того измерение амплитудных значений тоже задача не легкая.

Тому очевидно, що випрямлений!!! синусоїдальний  змінний струм є постійним пульсуючим струмом з  таким же зфективним значенням як у змінного котре можна виміряти магнітоелектричним амперметром з достатньо високою точністю.
Это типа вы умнее всех? Оказывается всего лишь выпрямить нужно и всё точно так же...

На самом деле магнитоэлектрическая рамка это всего лишь средство визуализации.
Отображать оно может всё что угодно, что человек нанесёт на шкалу. Скорость, топливо, напряжение, ток, температуру, количество метана.... Всего лишь человеку надо сделать преобразователь - измеряемая величина к разности потенциалов.
Так вот пока что вы пытаетесь снять разность потенциалов с измерительного шунта, вы видите средневыпрямленное значение тока. Не эффективное, а средневыпрямленное.

Опираючись на вищесказане, можна зробити висновок, що  струм який виходить з штатного РР
кабівського двигуна успішно можна вимірювати навчальним лабораторним амперметром з шкалою 2А та точністю близькою до 0,08А.
Меряйте! Мне по барабану. За время существования этой темы сюда заходило уже множество самовлюбленных господ, которые имеют одинаково глубокое понимание как в физике, так и в политике и экономике. И с высоты своего эго способны разбиться насмерть...
Я вам объясняю что вы меряете не тем прибором, а вы всё равно упорно потрясаете этой хренью для школьников из прошлого века и уверены что он достаточен... ну ну
like
good
bad
shockingly
19.03.2016 р. відповів для Gustav  
answerview
Вопрос в том почему вы решили что показанное вам значение соответствует эффективному значению величины?

Ефективне  значення сили струму змінного струму міряють електромагнітними амперметрами, принцип дії яких такий самий як і магнітоелектричних, а різниця лише в тому, що рамка та мангніт в них поміняні місцями і другі більш точні та  призначені для вимірювання лише постійних струмів(одного напряму).

Можете показать такой прибор?

Зліва для постійного струму, справа - універсальний.
Вы разговариваете на украинском? ... Зачем оно вам?
Прикріплені зображеннявідкрити у галереї
like
good
bad
shockingly
19.03.2016 р. відповів для Oleksa  
answerview
Вопрос в том почему вы решили что показанное вам значение соответствует эффективному значению величины?

Ефективне  значення сили струму змінного струму міряють електромагнітними амперметрами, принцип дії яких такий самий як і магнітоелектричних, а різниця лише в тому, що рамка та мангніт в них поміняні місцями і другі більш точні та  призначені для вимірювання лише постійних струмів(одного напряму).

Можете показать такой прибор?

Зліва для постійного струму, справа - універсальний.

Может я как то не понятно выразился - вы можете мне показать реальный прибор?
Мне не надо картинки наскальной живописи уроков питекантропов по физике.
like
good
bad
shockingly
19.03.2016 р. відповів для Gustav  
answerview
У вас постоянный ток с порезанным тиристром синусом.

Коротка ремарка.
Я прийшов на форум з метою вивчити принцип роботи штатного РР.

І далі.
З допомогою хлопців, як мені здається - розібрався.
Тому виникло запитання.
Чому постійний струм ріжеться, адже тиристор працює тільки з однією півхвилею?
Інша півхвиля, по-моєму, благополучно проходить діод та живить АКБ, повороти і звуковий сигнал.
Так? Дякую.
Вы разговариваете на украинском? ... Зачем оно вам?
like
good
bad
shockingly
19.03.2016 р. відповів для Oleksa  
answerview
У вас постоянный ток с порезанным тиристром синусом.

Коротка ремарка.
Я прийшов на форум з метою вивчити принцип роботи штатного РР.

Ну на здоровье. кто ж против?
...разве что еще успели похамить немножко, ну так не вы первый...


Чому постійний струм ріжеться, адже тиристор працює тільки з однією півхвилею?
А когда тиристр режет одну полуволну - это не считается?


Інша півхвиля, по-моєму, благополучно проходить діод та живить АКБ, повороти і звуковий сигнал.
Будем исходить из того что во времени - работа поворотов и сигнала занимает ничтожный промежуток. Так что в основном только на аккумулятор...
like
good
bad
shockingly
19.03.2016 р. відповів для Gustav  
answerview
Чому постійний струм ріжеться, адже тиристор працює тільки з однією півхвилею?
А когда тиристр режет одну полуволну - это не считается?

Думаю, що  ця  півхвиля нас, поки-що не повинна цікавити.
Я ж зібрався міряти той струм який  тече  через АКБ - ефективне значення постійного  пульсуючого струму.
То Ви стверджуєте, що генератор мопеда продукує синосоїдальний струм?

Позаторік я зняв осцилограму генератора дизельної мотофрези ХА-31Е і випрямленого  РР-м струму.
Тоді не міг добре розібратись.  А ось тепер дякуючи форумчанам нашого форуму дивлюсь на  неї вже трохи по іншому.
Вы разговариваете на украинском? ... Зачем оно вам?
Прикріплені зображеннявідкрити у галереї
like
good
bad
shockingly
19.03.2016 р. відповів для Oleksa  
answerview
Чому постійний струм ріжеться, адже тиристор працює тільки з однією півхвилею?
А когда тиристр режет одну полуволну - это не считается?

Думаю, що  ця  півхвиля нас, поки-що не повинна цікавити.

Почему?

Я ж зібрався міряти той струм який  тече  через АКБ - ефективне значення постійного  пульсуючого струму.

Это понятно. Просто вы должны понимать что вы не тот прибор для это берете.

То Ви стверджуєте, що генератор мопеда продукує синосоїдальний струм?

Давайте мы по научному. Генератор мопеда создает ЭДС синусоидальной формы. Ток образуется как следствие ЭДС и определяется величиной ЭДС и сопротивлением цепи.
ЭДС синусоидальное. Сопротивление цепи всё время изменяется. Диод открылсязакрылся, тиристр открылсязакрылся.
По этому ток Не синусоидальный.
like
good
bad
shockingly
© 2001-2026, MOTO.com.ua - все про мотоцикли та скутери!   Зворотній зв'язок   Про нас   Реклама на сайті   Магазин