MOTO.com.ua
events
0
Події
Погода: Київ
24.04, 13:54
44
+10 °С
Вітер: 0 м./с., Пн-С
НовиниФорумОголошенняЖурналКаталогПривалКалендар
Реєстрація Вхід
?
Увійти
Допоможіть Армії, наближайте нашу Перемогу!
Галерея

Фотографії повідомлення #1263747 теми форума «Реализация функции "Моргание дальним светом" на мотоцикле или скутере»

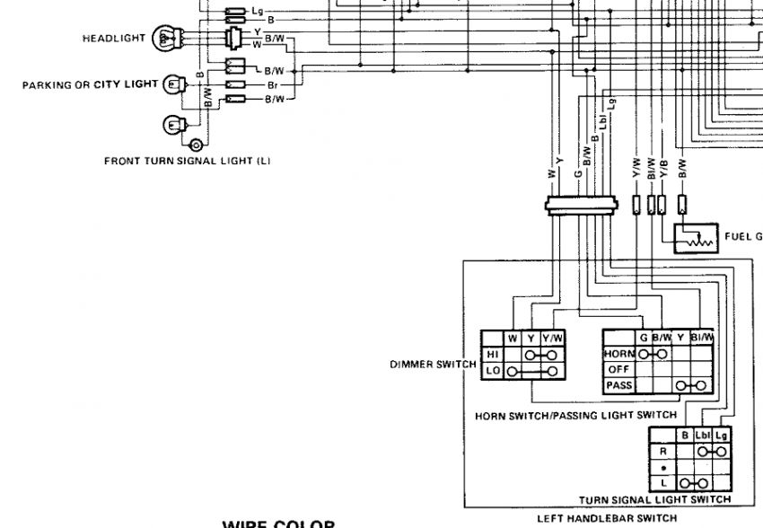
Фото 1
фото 1
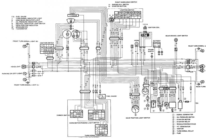
Фото 2
фото 2
© 2001-2026, MOTO.com.ua - все про мотоцикли та скутери!   Зворотній зв'язок   Про нас   Реклама на сайті   Магазин