MOTO.com.ua
events
0
Події
Погода: Київ
02.05, 23:41
44
+9 °С
Вітер: 3 м./с., Півд
НовиниФорумОголошенняЖурналКаталогПривалКалендар
Реєстрація Вхід
?
Увійти
Допоможіть Армії, наближайте нашу Перемогу!
Галерея

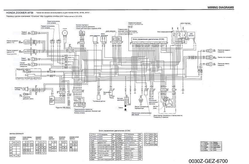
Фотографії повідомлення #1736817 теми форума «Honda DIO AF-56 (и подобные ей с двигателем AF55E: Crea Scoopy, Zoomer, Byte) - ремонт, обслуживание, эксплуатация»

Фото 1
фото 1
© 2001-2026, MOTO.com.ua - все про мотоцикли та скутери!   Зворотній зв'язок   Про нас   Реклама на сайті   Магазин