MOTO.com.ua
events
0
Події
Погода: Київ
03.05, 06:47
44
+6 °С
Вітер: 2 м./с., Пд-З
НовиниФорумОголошенняЖурналКаталогПривалКалендар
Реєстрація Вхід
?
Увійти
Допоможіть Армії, наближайте нашу Перемогу!
Галерея

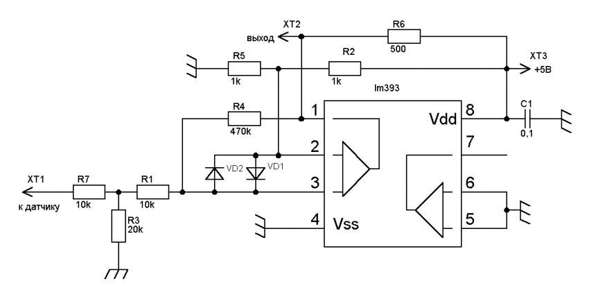
Фотографії повідомлення #77214 теми форума «Электронное опережение зажигания. Мысли, проекты, решения.»

Фото 1
фото 1
© 2001-2026, MOTO.com.ua - все про мотоцикли та скутери!   Зворотній зв'язок   Про нас   Реклама на сайті   Магазин