Показати повідомлення
Начинаем обсуждение способов решить проблему управления Углом Опережения Зажигания (УОЗ).
Ушествие Второе. Окончательное.
Змінено: 05.11.2007 р., VadimCrimea
Я практически отсюдова свое зажигание и делал!!!
Только програмулину свою ваял...
Все работает отменно...
оптимальную карту для города и для трэка уже подобрал...
Хорошая ссылко...
Не будите во мне Модератора...
ЗЫ... BMW - Большое Металическое Ведро
перепрошивка карты УОЗ через ЮСБ или Ком1 порт
По мне, так проще ISP и программатор.
PS схема обвязки по ссылке местами хороша. Только думаю, все-таки гальваническая развязка процессора от СDI не помешает. Хотя, фирмачи себя этим не особо утруждают, и все у них работает...
Ушествие Второе. Окончательное.
Змінено: 03.03.2008 р., Leon
Просто для програматора нужно снимать микросхему, а если комутатор залит компаундом и наружу только разьем торчит...
Ремонт макси скутеров и мотоциклов 0634784441
Разборка Geely Lucky 250
Никто немешает програмить внутрисхемно, наплате. В моём случае используется кан шина. 8)
[url=sdelal.net]http://industrialniy.users.photofile.ru/photo/industrialniy/115116213/135197751.gif
Ахтунг! Только что замерял момент зажигания стробоскопом на своей китайской ракете - холостой ход 20 градусов, на оборотах выше 4000 опережение 12 градусов. С таким опережением двигло имеет довольно неплохую динамику. Посмотрим, как он себя будет чувствовать с моим опережением.

[url=sdelal.net]http://industrialniy.users.photofile.ru/photo/industrialniy/115116213/135197751.gif
AVR'ку тоже не обязательно снимать.
ISP = In-System Programming = Внутрисхемное программирование.
Все равно ведь без программатора не обойтись - "чистый" процесор через порт не прошить.
Да и МАХ232 придется встраивать для СОМ-порта.
У USB свои тараканы...
А через ISP можно в крайнем случае шить, используя стандартный LPT и "пять проводков".

Ушествие Второе. Окончательное.
Ты хочеш сказать, что у тебя коммутатор с опережением.
Змінено: 03.03.2008 р., afanasievhmura
Если вы используете датчик детонации, то зачем нужен датчик положения дроссельной заслонки.
Я не использую датчик детонации. Да и ДПДЗ по моим прикидкам, большого выигрыша не даст. Но попробовать надо.

Ушествие Второе. Окончательное.
Можно и так сказать. Только работает оно по китайски

Хуже некуда.
[url=sdelal.net]http://industrialniy.users.photofile.ru/photo/industrialniy/115116213/135197751.gif
Вот ещё над чем надо подумать: на моём скутере регулятор УОЗ работает, но когда пробовали ставить на другие скутеры, то, как прибавишь газу, начинается , с некоторых оборотов,судя по тому, что мотор дальше не разгоняется и колбасит,беспорядочное искрообразование в цилиндре, совершенно невпопад.
на моём скутере и дома на имитаторе всё работает как часы.
Значит, надо подумать над помехоустойчивостью, и над тем, что именно его сбивать может.
Я предполагаю, что это высоковольтные разряды в свече, ибо они в данном случае по времени уже не совпадают с сигналами датчика коленвала, и возможно, проц их и принимает за импульс коленвала. Вот такая засада нас может ждать на этом пути. И чтоб успешно побороть, надо бы выяснить источник и путь помехи..
Ссылка действительно интересная. Правда, насчёт диода в сером прямоугольнике..
С одной стороны, удобно- он пропускает на коммут положительные имп с датчика, если пик не работает. При работающем пике пик даёт искру раньше, и этот положительнй импульс вроде как не мешает, ибо пытается поджечь уже горящую смесь.
но этот же диод помешает пику сделать зажигание позднее штатного (на низких оборотах), если захочется это сделать. так как в этом случае положит импульс зажжёт смесь раньше пика, и , скажем ,15 градусов не получится, если штатный угол равен 20...
и второе я заметил- исходник писался первоначально под пик16ф873, поэтому там упоминается ввод таблицы через RS232, или что-то другое, но процедуры в исходнике нет.
Видимо, она осталась в предыдущем исходнике, который был на 873 пик., а не 84
bи похоже, для 873 пика алгоритм был другой, там шла обработка прерывания от RB0/INT, а в версии для 84 применяется просто контроль сосстояния линии, а прога прерывания использована для наращивания счётчика, ибо TMR1 отсутствует в 84 пике.
Змінено: 04.03.2008 р., killer258
Я поборол помехи установкой керамических конденсаторов непосредственно на входах пика, разьёме подключения и гальванической развязкой с ключём катушки. Ещё поставил силиконовый провод ВВ, а то блютуз подвисал при работающем моторе.

[url=sdelal.net]http://industrialniy.users.photofile.ru/photo/industrialniy/115116213/135197751.gif
в том проекте на схеме явственно видно- связь с компьютером. но в исходниках ничего про это нет.
интересно, что там планировалось? оперативная коррректировка таблиц через комп?
просто передача карт по RS232...
Не будите во мне Модератора...
ЗЫ... BMW - Большое Металическое Ведро
По всей видимости микроконтроллер с загрузчиком, и через последовательный порт можно менять прошиву и оперировать данными ОЗУ.
[url=sdelal.net]http://industrialniy.users.photofile.ru/photo/industrialniy/115116213/135197751.gif
вот и я так считаю. первоначально проект был на 873 пике, а эти пики могут во время выполнения программы перезаписывать не только область данных, но и область программного кода, то есть скорее всего стоял бутлоадер.
А потом с целью упрощения автор перешёл на 84 пик, там этой возможности нет, поэтому и в исходнике бутлоадер был убран, а на схеме провода остались.
можно, конечно, и с автором списаться, там у него емейл написан..
А какой смысл? На микрочипе имеются исходники загрузчиков.
[url=sdelal.net]http://industrialniy.users.photofile.ru/photo/industrialniy/115116213/135197751.gif
Для оптимизации УОЗ под рукой нужно иметь ; индикатор детонации
индикатор УОЗ
Могу предложить, на мой взгляд, достаточно простое решение индикатора УОЗ. Нужны только мозги, которые пересчитают время в углы и перенесут получившееся в контроллер с индикацией на ЖКИ.
В качестве индикатора детонации, думаю, лучше использовать широкополсный датчик детонации или сделать чтото подобное самостоятельно. Какие будут мнения?
А зачем смотреть на угол? Достаточно один раз прошить, проконтролировать стробоскопом, и потом забыть.
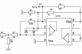
Вот схема преобразователя сигналов с индуктивного датчика в уровни ТТЛ. Поставил себе, и решил отказаться от датчика холла, родной датчик вполне справляется

, правда прийдётся учитывать уход сигнала в таблицах опережения.
[url=sdelal.net]http://industrialniy.users.photofile.ru/photo/industrialniy/115116213/135197751.gif
Воощето нужно смотреть не только на угол, а и на индикатор детонации чтобы не перескочить за грань детонации, а стробоскопом ты увидиш только наличие опережения. Както я проверял корректор с ручной регулировкой опережения УЗ и на подъёме, при небольшом добавлении ОУЗ, почуствовал снижение скорости. Индикатор детонации всётаки нужен, хотябы для того чтобы как можно правильнее составить таблицу прошивки ОУЗ.
Змінено: 12.03.2008 р., afanasievhmura