MOTO.com.ua
events
0
Події
Погода: Київ
04.05, 18:53
32
+24 °С
Вітер: 2 м./с., Схід
НовиниФорумОголошенняЖурналКаталогПривалКалендар
Реєстрація Вхід
?
Увійти
Допоможіть Армії, наближайте нашу Перемогу!
Форум
Шукати

Реле - регулятори напруги для мото з однофазним генератором

Переглядів: 3682064, модератор: ed13hell
10.08.2008 р.
answerview
Показати повідомлення
        В цій темі публікуємо прогресивні та технічно правильні рішення 
Реле - Регуляторів, ПЕРЕВІРЕНІ,  підтверджені випробуваннями на реальній мото-техніці (цифрові показники в різних режимах роботы, схеми та фото виробів, по можливості відео випробувань).


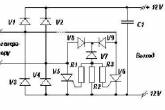
Фото. 1, 2 - оригінальний регулятор напруги китайських мопедів Альфа/Дельта
(Honda Dio, Honda Cub) 
та подібних.

Фото. 3 - 11  - саморобні, перевірені схеми регуляторів напруги 
(
Ці схеми працездатні в бортовій мережі мото/мопеда/скутера при змінах, виконаних відповідно до фото №12)

Фото. 12 - Рекомендована схема підключення саморобного РЕГУЛЯТОРА.

Фото. 13 - Один з вариантів стенду для перевірки РЕГУЛЯТОРА.

Фото. 14 - Стенд для перевірки РЕГУЛЯТОРА (варіант 2).

Фото. 15 - Схема бортової мережі Альфа-Дельта-подібних мопедів.

  ВЕЛИКЕ ПРОХАННЯ: при розміщенні на інших ресурсах запозичених в цій темі схем, ОБОВ'ЯЗКОВО робіть посилання на дану тему і навпаки, при розміщенні будь яких схем з інших ресурсів, посилання на ці ресурси ОБОВ'ЯЗКОВЕ!

    Перед тим як задати питання по схемі регулятора напруги її автору,
УВАЖНО ПРОЧИТАЙТЕ:

  Шановні дописувачі, це тема про конкретні електронні прилади на технічному форумі, а не шоу екстрасенсів, а отже для того щоб автор схеми,  до якого Ви адресуєте своє повідомлення, не звертався за допомогою до шаманів з бубнами, а Ви отримали чітку кваліфіковану відповідь на ваші питання як мінімум БАЖАНО вказати:
1. Що у Вас за техніка, на якій конкретна схема використовується, а саме:
- тип двигуна;
- вид/тип генератора та його потужність;
- генератор штатний чи модернізований, якщо модернізований, то як?;
2. Аккумулятор:
- чи він взагалі є;
- його ємкість;
- його реальний стан (справність);
3. Конденсатор на виході регулятора напруги:
- чи він взагалі є;
- його характеристики (ємкість, тощо);
4. Наватаження (види і типи споживачів) на регулятор конкретно, а не типу "я нє помню сколько Ватт, прімєрно ХХ"...
5. Прикріпити до питання декілька якісних фото (бажано з максимальною роздільною здатністю), регулятора напруги щодо якого у Вас виникли питання, тим більше в теперішній час, з цим завданням може справитись любий, навіть дешевий китайський смартфон...
+ З метою меншого засмічування теми, для дрібних питань, до чи після основного, бажано використовувати можливості особистих повідомлень (лічки).
++ Дякуєм за порозуміння! З повагою!  


УВАГА!
Повідомлення з інформацією, яка не відповідає темі, флуд та всілякого роду "лірика" будуть видалятись без попереджень!
Каждый заблуждается в меру своей убежденности.
Змінено: 26.03.2019 р., ed13hell
Прикріплені зображеннявідкрити у галереї
1
like
1
good
bad
shockingly
21.11.2008 р. відповів для Summon  
answerview
... буду думать куда воткнуть более мощный аккумулятор...


7,2Ah от бесперебойника становится в альфе на место старого, только нужно переместить катушку зажигания выше или вправо. По сравнеию со старым-небо и земля. Несколько страниц назад я выкладывал фоты.
like
good
bad
shockingly
ed13hell модератор теми
21.11.2008 р.
answerview
Мужики, вообще не пойму Ваших споров. Плохо, когда ктото обсуждает схему, которую сам не собирал. (Любую схему). Мне кажется сначала надо собрать, поганять ее в разных режимах, а потом спорить.
Я ж писал о результатах испытания шунта.
Напоминаю: даже без аккумулятора, но с кандером (44000 мкф) напруга НА ХОЛОСТЫХ, при подключении штатной лампы (35 Вт) не падала ниже 12,8 В.
Согласитесь - такое "притухание" вполне приемлимо, это же не 7 вольт со штатной переменкой (без переделок). А если подкинуть аккумулятор и оставить кандер все будет в норме.

Вот Вы спорите о напруге на ХХ, а никто не написал - сколько оборотов у него ХХ. Если меньше 1000, то я его пойму, а я например, выставил около 2000 (если не ошибаюсь, мануалы рекомендуют обороты ХХ 1500-2000) и вааще никаких проблем, мы же в основном ездим не на ХХ?
Вірим в Бога та Збройні Сили України!!!
like
good
bad
shockingly
22.11.2008 р. відповів для ed13hell  
answerview
У меня на холостых 1500.
like
good
bad
shockingly
dimmon
27.11.2008 р. відповів для ed13hell  
answerview
Чтобы АКБ чувствовал себя комфортно и служил долго, напряжение в сети должно быть не более 14-14,2 вольта. Гелевые АКБ более требовательные к перенапряжению, вот кусочек статьи
Аккумуляторы с цилиндрическими банками и спиральными электродами называют в обиходе гелевыми, но правильно их именовать AGM-батареи. Гелевые аккумуляторы появились с началом освоения космоса. Гель, получающийся в результате добавления в серную кислоту двуокиси кремния, позволяет добиться полной герметичности батареи, так как все газовыделение происходит внутри пор в массе геля. Таким батареям нет равных по стойкости к глубоким разрядам, они намного долговечнее традиционных. Но распространения у автомобилистов гелевые аккумуляторы не получили по причине очень высоких требований к бортовому электрооборудованию и из-за резкого падения пускового тока на холоде.
Аккумуляторы с гелем внутри можно применять лишь там, где бортовая электрика позволяет очень точно поддерживать режим заряда. На отечественных же автомобилях даже с исправным реле-регулятором напряжение варьируется с 13 до 16 вольт, и на многих иномарках похожая ситуация. А в случае выхода из строя реле-регулятора гелевый аккумулятор можно сразу выбрасывать, поскольку напряжение заряда не должно быть более 14,4 В. Если оно больше, то гель просто тает и обратно уже не восстанавливается. К тому же работа гелевых батарей на полную мощность возможна в наших условиях только летом. Гель вязкий, а на морозе он совсем застывает, в результате чего характеристики падают более чем вполовину.
Плюсы гелевых аккумуляторов:
* абсолютно необслуживаемые;
* работают в любом положении;
* при повреждении корпуса электролит не вытекает;
* большой срок службы при исправном электооборудовании;
* дают высокий пусковой ток;
* допускают очень глубокий разряд.
Минусы:
* высокая цена;
* на холоде очень быстро выходят из строя;
* требуют хорошего электрооборудования в машине, при перезаряде быстро выкипают.
like
good
bad
shockingly
28.11.2008 р.
answerview
вот тоже чел делал, и не шунт и не ШИМ.
и полевик чё зря не греется.
Сообщество Пенсионеров 19+
Прикріплені зображеннявідкрити у галереї
Прикріплені файли
zip
359.73 кБ.
like
good
bad
shockingly
01.12.2008 р. відповів для Leon  
answerview
Устройства, контролирующего заряд аккума в этом РР я не вижу в упор. При повышении напряжения на клемах 1 - 2 просто подключается дополнительная обмотка с помощью тирристора и напряжение на клемах 1 - 2 падает.  А заряд аккума идёт через диод и зависит от напряжения на клемме 3 - однополупериодный выпрямитель на одном диоде. Проще придумать невозможно.

Я сегодня наблюдал за напряжением на аккуме. Максимальное значение - 13,6 В. Завтра перепаяю на второй диод - три на зиму много.
Никогда не бойся делать то, что ты не умеешь.
Помни, ковчег построил любитель.
Профессионалы построили "Титаник"
Прикріплені зображеннявідкрити у галереї
like
good
bad
shockingly
01.12.2008 р. відповів для viking64  
answerview
Да уж. Я и забыл, что Дельта - это Китай.  08_lol  
Обратите внимание, что зарядка производится не той полуволной, которая управляется тиристором.
Кстати, уважаемый бакалавр прав. При такой схеме - генератор (по крайней мере - при положительной полуволне) ВСЕГДА нагружен аккумулятором. Независимо от того, насколько оный заряжен.
Может, лучше заменить регулятор на японский или самодельно-японский?  17_wink
Или добавить снаружи несколько деталей, сэкономленных китайскими товарищами...
Обычно в скутах применяется примерно такая схема:
Ушествие Второе. Окончательное.
Прикріплені зображеннявідкрити у галереї
like
good
bad
shockingly
02.12.2008 р.
answerview
В общем из всех собраных мною схем боле менее работает только та что на ресунке, собирал на тиристорах. Схема ilavskiy работать толком тоже отказалась. На стенде работала отлично, напряжение держала стабильно 14,2в. После установки на мопед, без нагрузки, только полуразряженый аккумулятор полевик сильно начал греться на оборотах выше средних. Без аккумулятора не греется. При включении нагрузки фары, за щитаные секунды очень сильно нагрелся, пришлось отключать чтобы не сжечь. Полевик IRL2505 55в 104А. Напряжение на переменке с нагрузкой (фара) так и не упало до обещаных ilavskiy 30в а доходило до 70в. Может быть сильный нагрев полевика и вызван высоким напряжением на входе он не расчитан на 70в. Нужно будет попробовать IRFP260N 200в 50А.
Прикріплені зображеннявідкрити у галереї
like
good
bad
shockingly
ed13hell модератор теми
02.12.2008 р. відповів для Summon  
answerview
В общем из всех собраных мною схем боле менее работает только та что на ресунке, собирал на тиристорах.

А резисторы R1 и R3 куда дел? или вместо них перемычки?
Опиши пожалуйста результаты испытаний - замеров т.п.
Вірим в Бога та Збройні Сили України!!!
like
good
bad
shockingly
02.12.2008 р. відповів для ed13hell  
answerview
Перемычки. На днях померяю напишу. Из наблюдений могу сказать пока только то что нету дисбаланса переменки, тоесть одна полуволна задавливается больше чем другая.  В той схеме что ты предлагал дисбаланс был я его побороть так и не смог, видать поэтому напряжение у меня сильно прыгало (постоянные колебания от 10в до 14,2в с большой частотой). Определил дисбаланс так. Подключил вольтметр выставил для замера переменки он показал 14,2в затем на вольтметре поменял полярность и он стал показывать 4,5в.
like
good
bad
shockingly
ed13hell модератор теми
02.12.2008 р. відповів для Summon  
answerview
Перемычки. На днях померяю напишу. Из наблюдений могу сказать пока только то что нету дисбаланса переменки, тоесть одна полуволна задавливается больше чем другая.  В той схеме что ты предлагал дисбаланс был я его побороть так и не смог, видать поэтому напряжение у меня сильно прыгало (постоянные колебания от 10в до 14,2в с большой частотой). Определил дисбаланс так. Подключил вольтметр выставил для замера переменки он показал 14,2в затем на вольтметре поменял полярность и он стал показывать 4,5в.

Поменял полярность? на переменке?
Поподробнее, не совсем понятна методика и местА замеров.
Вірим в Бога та Збройні Сили України!!!
like
good
bad
shockingly
03.12.2008 р. відповів для ed13hell  
answerview
хз как правильно обьяснить. Суть в том что у вольтметров внутри схема собрана для замера постоянки и когда ним меряеш переменку то он ее выпрямляет и меряется только одна полуволна. Уже точно не помню внутреннюю развязку вольтметра, там вроде на входе стоит 1 диод или что то типа этого. Получается если мерять переменку и меняеш местами щупы то меряеш одну полуволну или другую. Когда то в детстве я заметил такое поведение стрелочного вольтметра а сейчас и цыфрового. Незнаю все они так работают или нет но думаю большенство.
like
good
bad
shockingly
03.12.2008 р.
answerview
Предварительные замеры:

Аккумулятор          12,45в
Холостые Ак+Ген          13,4в
Холостые Ген          14,1в
3500об Ген          14,16в
Выше холостых Ген          13,9в
Выше холостых Ак+Ген          13,5в
Холостые Ген+Габариты          11,6в
Холостые Ген+Свет          6,8в
Выше холостых Ген+Свет          13в

Выше холостых напряжение стабильно, отличается не сильно, поэтому по оборотам коленвала не расписывал. На оборотах 3500 самое высокое напряжение.

Конденсатор стоит 4700мкф.
Тиристоры стоят те что были под рукой ТС132-50 без радиаторов.
Диодный мост KBPC35.
Диоды пишут любые у меня валялись спареные с блока питания компа не помню какие вроде на 3А.их и поставил.
Стабилитрон Д814Д
Резисторы вместо которых у меня перемычки наверно всетаки лутше поставить у меня просто небыло таких.
like
good
bad
shockingly
dimmon
12.12.2008 р.
answerview
а почему все зациклились на схеме с двумя симисторами? я лично сделал РР еще до того как появилась эта ветка, вот по этой схеме.(выкладывал схемку выше, но внимание на нее не обратили)

Обсуждалась эта схема на московском форуме. Откатал с ней более 5 месяцев, полет нормальный.
Вот хорошо бы если была бы возможность плавно менять напряжение на выходе, а не путем подбора стабилитронов, при отладке очень удобно. Может есть идеи по этому поводу?
like
good
bad
shockingly
12.12.2008 р. відповів для dimmon  
answerview
а почему все зациклились на схеме с двумя симисторами? я лично сделал РР еще до того как появилась эта ветка, вот по этой схеме.(выкладывал схемку выше, но внимание на нее не обратили)
Обратил, пробовал, работает, только с перекосом фазы. Для многих это не критично а я не могу ездить спокойно зная что можно сделать лутше.
like
good
bad
shockingly
dimmon
12.12.2008 р. відповів для Summon  
answerview
можно подробнее про перекос фазы? На что этот перекос влияет?
like
good
bad
shockingly
12.12.2008 р. відповів для dimmon  
answerview
можно подробнее про перекос фазы? На что этот перекос влияет?
На одной полуволне получаеш 14,2в а надругой к примеру 7в. Получается для зарядки аккумулятора используется одна полуволна, вреда никакого если фара не запитана от аккумулятора, а если запитана, то потеря мощности генератора и недозаряд при оборотах, на которых можно было бы получить нормальный заряд при использовании обоих полуволн.
like
good
bad
shockingly
12.12.2008 р.
answerview
Пробывал ли деталь кто то этот регулятор? Как его работоспособность?
[url=http://fresh-music.at.ua]http://kissfm.ua/forum/image.php?u=109610&type=sigpic&dateline=1246972885
Прикріплені зображеннявідкрити у галереї
like
good
bad
shockingly
12.12.2008 р. відповів для Carsmen  
answerview
Пробывал ли деталь кто то этот регулятор? Как его работоспособность?
Пробовал несколько страниц назад все результаты описал.
like
good
bad
shockingly
12.12.2008 р. відповів для dimmon  
answerview
Возможность есть. Подключи параллельно гирлянде стабилитронов переменный резистор, а R2 подключи к движку . Возможно придётся чуть увеличить напряжение на стабилитронах. А дисбалланс убирается подбором пар стабилитронов. Напряжение на  VD1+VD2 должно равняться напряжению на VD3+VD4. Рассчитаем номинал переменного резистора. Принимаем его мощность 0,5 Вт (или какой ты будеш ставить). Для гарантии оставляем половину - лучше пусть не греется. Р=0,25 Вт. Напряжение на паре стабилитронов  U=14.5 В.  Считаем ток исходя из мощности. I=P/U  I=0.25/14.5   I=0.0172 A. А далее по закону Ома R=U/I  
R=14.5/0.0172=843 Ом. Можно ставить на 1 кОм.
Никогда не бойся делать то, что ты не умеешь.
Помни, ковчег построил любитель.
Профессионалы построили "Титаник"
like
good
bad
shockingly
© 2001-2026, MOTO.com.ua - все про мотоцикли та скутери!   Зворотній зв'язок   Про нас   Реклама на сайті   Магазин