Показати повідомлення
Тема посвященная ремонту последних моделей хонда дио
Dio smart Конфиг: Комутатор Daytona CDI, Вариатор и ремень Daytona, два ФНС K&N. Свеча зажигания DENSO "IRIDIUM POWER". Усиленный, регулируемый китайский амортизатор, колодки malossi перед и зад.
Змінено: 23.05.2010 р., Flash
Спасибо за ликбез
Подскажи пожалуйста, доводилось менять корпуса фильтра, есть различия по крепежу от дио инжектороной на карбюраторный?
Сегодня проверил на герметичность все корпуса, и один мне очень не нравится, почти не реагирует на заслон входа
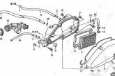
крепление короба вф одинаково, а вот шланг на инжекторной один а на карбе три!
я менял только на родные б/у, и новые крышки ставил, чаще обходился правкой феном.
ОРИГИНАЛЬНЫЕ ЗАПЧАСТИ новые и б/у
( HONDA Genuine Parts )
Японский тюнинг DAYTONA, KITACO,
http://vk.com/hondajfparts
Спасибо за ссылку, только чё-то я нефига не понял где там каталоги, и не могу понять как свой скутер там найти. Хотел найти сколько там стоит фильтр на наш, и не нашёл.
Что хотел ещё сказать по поводу фильтра, герметичность самого короба фильтра конечно важна, но ещё очень важно чтобы сам элемент по периметру тоже был герметичен, я все эти прилегающие поверхности герметиком замазываю и даю подсохнуть. Один раз уже угробил клапан, теперь не хочется. Думал вывести шланг как Вова, но у меня криа скупи, очень уж вид этот шланг портит, вроди как ретро стиль, а езжу в основном по грунтовкам. Был бы зумер или 56-я, то обязательно бы вывел так же. Я бы на твоём месте полностью снял корпус и внимательно просмотрел его, попробовал бы подравнять и соединения все намазал бы герметиком. Я когда так сделал, то сразу начал глохнуть при закрытии забора воздуха, а раньше он даже немного обороты набирал.
Змінено: 21.01.2015 р., groma77
не поверишь, после того как выровнял периметр контакта с кассетой фильтра, и подсос продолжался, сам хотел вымазать все [мат] герметиком. Держусь пока. еще варианты ищу
Ищи в каталоге скутер потом хонда потом год, мой 2003 например, и выбирай NPS50 он так называется, ну это зуммер, там как Ты понял почти все одинаковое.
Еще там джаз видел.
Периметр самого фильтрбокса нужно выровнять, внизу возле крышки вариатора зачастую коробит и появляется щель, герметиком можно аккуратно саму канавку где лежит резинка промазать.
Ещё что хотел у тебя спросить, там на американском сайте есть две цены, одна меньше, другая больше, что это за цены?
Это рекоммендуемая розница, наша та что ниже, они этим показывают насколько сладкие ихние цены
Вообще это филиал очень крупной компании по запчастям, есть другие сайты с другой техникой
Отсюда наверное и цена.
А куда ты остальные шланги подключишь, да и нулевикам я не доверяю, в них есть смысл только если в комплексе менять и выпуск, и ресурс двигателя они очень сильно снижают. По поводу цен немного не понял, это получается цена уже с доставкой? Короче чёто совсем в замешательстве с их ценами, да и цены совсем не сладкие, пусковой обогатитель в штуку двести обойдётся, и то я не могу понять это с доставкой или нет.
Нулевик

, это тогда что вообще вез фильтра ездить, только мухи не попадут тогда и комары, если не видно на глаз то мажешь водой с мылом и смотришь где пузырится (дуешь), не знаю может что у меня фильтр бокс новый стоит обхожусь пока что без этого, кстати как прошлый раз поставил в июле то еще туда нос не совал пока что и не буду дождусь июля опять таки же, тяга есть, фильтр не кто не дул не мыл японский родной, все до кучи на герметике еще сидит, промываю только что шланг периодически, ох и хорошо он намагничивается и к нему так как он внутри "зубастый" отлично прилипает пыль!, да и по чаще стараюсь мыть багажник внутри, - вот основная моя задача чтобы фильтр родной каждый день не менять ну и уверен что по моим пескам лутше и не придумать, еще вот думаю тонким парольном на липучках сделать багажник внутри будет еще лутше все это дело фильтровать, не знаю покрасил я его в черный цвет краской для бамперов эластичной вроде держится фиг отскоблишь, да и смотрится как будто он там и стоял., а на джорне его вообще еле видать так как там тут же под "юбку" заходит

Змінено: 21.01.2015 р., vovchikborov
Спасибо парни за советы с фильтром
Зумеры, рукусы есть в интернете с фото и видео, там выкинули фильтра и все на нулевиках, но хороший нулевик отличается от китайских что у нас продают, но там асфальт в основном.
Кстати, лодочные движки вообще без фильтров воздушных
пока склоняюсь найти новый корпус на разборке, или дозаказать крышку и резинку
Змінено: 21.01.2015 р., zuZU
Ещё, скинь ссылочку америкосовскую.
http://www.partzilla.com/
палец титановый?= $21.76, поршень = $21.42
перед заказом поршня и колец хорошо подумайте!!
ОРИГИНАЛЬНЫЕ ЗАПЧАСТИ новые и б/у
( HONDA Genuine Parts )
Японский тюнинг DAYTONA, KITACO,
http://vk.com/hondajfparts
Ну это же не лодка, ты же на скутере не по воде ездишь, сам подумай, много ли пыли на воде? Да и двигатели лодочные в своём большинстве двухтактные и у них нет клапанов, а на этом двигателе вся проблема во впускном клапане, вместе с грязным воздухом попадает пыль, которая как абразив стирает юбку клапана и клапан со временем проваливается в седло клапана. Если взять китайский 4-х тактник, то там такой проблемы нет, не знаю почему, там и фильтр похуже, но зато забор воздуха по-удачней, может твёрдость металла на китайце повыше?
Твердость - врядли )
Я повыше и говорил, - болячка мотора ))
Да про лодку это Я так, к слову, там тоже пыль бывает, мелкая пыль она есть везде.
Движок на моей хонде 20 сил 4 такта если что.
Скорее не болячка мотора, а болячка хозяина в криворукости проведения планового ТО.
Скорее не болячка мотора, а болячка хозяина в криворукости проведения планового ТО.
именно так и есть! проверенно уже сотнями тыс км, и почти десятком 55х моторов, даже зазор не уходит по 50тыс км!!
ОРИГИНАЛЬНЫЕ ЗАПЧАСТИ новые и б/у
( HONDA Genuine Parts )
Японский тюнинг DAYTONA, KITACO,
http://vk.com/hondajfparts
Ещё хотел спросить, не могу понять, почему ты так боишься герметика?, ты же не масляные и не водяные каналы замазываешь, ты перекрываешь щели образовавшыеся из-за того что корпус повело, делаеш так чтобы воздух не поступал в камеру сгорания мимо фильтра.