MOTO.com.ua
events
0
Події
Погода: Київ
08.03, 05:35
44
+3 °С
Вітер: 2 м./с., Півн
НовиниФорумОголошенняЖурналКаталогПривалКалендар
Реєстрація Вхід
?
Увійти
Допоможіть Армії, наближайте нашу Перемогу!
Форум
Шукати

Honda DIO AF-56 (и подобные ей с двигателем AF55E: Crea Scoopy, Zoomer, Byte) - ремонт, обслуживание, эксплуатация

Переглядів: 1930552
21.08.2009 р.
answerview
Показати повідомлення
Тема посвященная ремонту последних моделей хонда дио
Dio smart Конфиг: Комутатор Daytona CDI, Вариатор и ремень Daytona, два ФНС K&N. Свеча зажигания DENSO "IRIDIUM POWER". Усиленный, регулируемый китайский амортизатор, колодки malossi перед и зад.
Змінено: 23.05.2010 р., Flash
Прикріплені зображеннявідкрити у галереї
1
like
1
good
bad
shockingly
12.08.2023 р.
answerview
Прикріплені зображеннявідкрити у галереї
like
good
bad
shockingly
12.08.2023 р.
answerview
Як на мене ,то маю два варіанти: або в ті часи коли був випущений скутер були інші норми на зарядну напругу. Можливо це із-за іншої технології виробництва акумів і напруги в 13.8в їм вистачало, або таки щось накрилось в блоці "мозгів". Це зичайно здогадки але питання все одно відкрите: як переобладнати скутер на нормальну електроніку зі звичайним комутатором і реле-регулятором напруги? В голові накидав варіанти, єдине що турбує - це як бути з запуском від кнопки?. Або переходить тільки на кік-стартер, або щось мудрити але боюсь що знову получиться той самий блок. Маю на увазі по величині03_biggrin
Або забити на це все і їздити як і раніше - періодично раз в місяць заряджаючи акум від ЗУ з розетки.
like
good
bad
shockingly
12.08.2023 р. відповів для stastry  
answerview
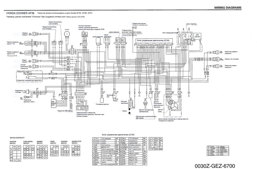
Я користуюсь ось цею схемою
В инструкции для AF 58 действительно указано, что на клеме аккумулятора находится реле стартера, однако в схеме для AF 56 указано, что реле стартера находится под коммутатором (38501-GEE-712) - странно

Кстати, в этой схеме электрики для AF 58 2 реле с 4 контактами (главное реле + реле нагрузки), разве в AF 56 их 2? Где есть реле с 4 контактами, кроме того, которое находится под коммутатором?

Або забити на це все і їздити як і раніше - періодично раз в місяць заряджаючи акум від ЗУ з розетки.
Мне кажется в таком режиме аккумулятор долго не проработает (если его нужно постоянно подзаряжать от розетки)

Кстати, не пробовал замерить уровень напряжения на выходе из генератора?
Змінено: 13.08.2023 р., lester
like
good
bad
shockingly
15.08.2023 р. відповів для lester  
answerview
В AF56 два реле, одне знаходилось на пластиковомутакому специфічному кріпленні разом з двума маленькими запобіжниками європейського типу. І ця пластикова штука кріпилась до плюсової клеми акума.реле не 4-контактне а звичайне, з перекидними контактами. Тобто п'ятиконтактне реле. Друге реле знаходиться біля блока "мозгів" на вигляд ідентичне першому. Але теж не 4-х контактне. А напругу я ж писав що міряю в системі бортовим вольтметром. І вона понижена як для напруги заряду акума. Не набагато, якихось 0,6в а не вистачає.
like
good
bad
shockingly
15.08.2023 р. відповів для stastry  
answerview
Згадав, там дійсно в реле 4 контакта. То я вже як міняв його то замінив на 5-ти контактне.
like
good
bad
shockingly
16.08.2023 р.
answerview
Согласно схеме AF 56:
Реле на клемме аккумулятора - 5 контактов (38520-GEE-711 / RELAY COMP., SWING)
Реле под коммутатором - 4 контакта (38501-GEE-712 / RELAY COMP., STARTER)

Согласно твоей схеме для AF 58 - реле стартера находится на клемме аккумулятора, кроме того на схеме видно что есть еще 2 других реле ("реле нагрузки" и "главное реле") на 4 контакта. На сколько мне известно, в AF-56 есть только 1 реле с 4 контактами, находится под коммутатором
А напругу я ж писав що міряю в системі бортовим вольтметром. І вона понижена як для напруги заряду акума. Не набагато, якихось 0,6в а не вистачає.
Что это за "бортовой вольтметр"? Ты проверяешь общее напряжение? Какой в этом смысл? Нужно же найти причину. Чтобы проверить генератор нужно замерить каждую фазу на выходе с генератора, делать это нужно мультиметром с True RMS. Т.е. заводим мопед, отсоединяем фишку на 3 провода, которая идет от генератора и проверяем. Если генератор не выдает достаточное напряжение, то конечно общее будет занижено
Змінено: 16.08.2023 р., lester
like
good
bad
shockingly
18.08.2023 р. відповів для lester  
answerview
Ок. Дякую за допомогу, я поміряю змінний струм на виходах от тільки питання - скільки повинно бути напруги? І в яких межах. Ну тобто від 14 до 36 вольт в залежності від "газу"? Але  я питав людей чи можна переробити цю хонду на звичайний комутатор і звичайне реле напруги? Може хтось вже заморочився і зробив те? Ні? Чи ліпше не морочити голову ні собі ні людям і купити блок "мозгів" за дорого...
like
good
bad
shockingly
19.08.2023 р. відповів для stastry  
answerview
Ок. Дякую за допомогу, я поміряю змінний струм на виходах от тільки питання - скільки повинно бути напруги? І в яких межах. Ну тобто від 14 до 36 вольт в залежності від "газу"?
У меня на холостых (повышенных) ~10-11V, если очень хорошо добавить газ, то повышается до ~25-30V, правда измерял обычным вольтметром (A830L) - буду пробовать менять магнит, потом напишу о результате

Але  я питав людей чи можна переробити цю хонду на звичайний комутатор і звичайне реле напруги? Може хтось вже заморочився і зробив те? Ні?
Я не встречал такой информации, поэтому ничего не могу подсказать. Думаю, если бы все было так просто, были бы альтернативные китайские варианты для замены стокового блока управления
Чи ліпше не морочити голову ні собі ні людям і купити блок "мозгів" за дорого...
Как я писал выше, не факт, что это именно коммутатор. Если на выходе из генератора недостаточно напряжения, то откуда ему взяться на выходе из коммутатора?
Змінено: 19.08.2023 р., lester
like
good
bad
shockingly
20.08.2023 р. відповів для ff7121  
answerview
А не дивились на аліекспресі? Ось наприклад посилання: Мені щойно трапився цей чудовий товар на AliExpress. Погляньте! грн.78.75  58%OFF | Motorcycle 16mm 18mm 22mm 24mm Carburetor Diaphragm with Slide and Needle For GY6 49 50 125 150cc Chinese Scooter PD24 PD18Jhttps://a.aliexpress.com/_EH3KdXh
1
like
1
good
bad
shockingly
25.08.2023 р. відповів для Tero  
answerview
Подскажи какая лампочка, на сколько ватт?
Какой бензонасос?
Если можно фото этого всего. 
like
good
bad
shockingly
13.09.2023 р. відповів для stastry  
answerview
За результатом пошуку, аналізу та моментів з існуючим карбюратором, вирішив в моєму Crea Scoopy замінити увесь карбюратор на новий, в зборі. Знайшов та купив на Ali Express ось у цього продавця: https://www.aliexpress.com/item/1005005657930648.html . Карбюратор став на місце, як рідний, тепер все працює добре! Дякую за рекомендації!
1
like
1
good
bad
shockingly
Тюль купить недорого в Украине
купить телефон в Одессе со склада, Украина
купить инсталляцию для унитаза в Одессе, магазин сантехники
© 2001-2026, MOTO.com.ua - все про мотоцикли та скутери!   Зворотній зв'язок   Про нас   Реклама на сайті   Магазин