MOTO.com.ua
events
0
Події
Погода: Київ
09.05, 22:46
44
+18 °С
Вітер: 1 м./с., Півн
НовиниФорумОголошенняЖурналКаталогПривалКалендар
Реєстрація Вхід
?
Увійти
Допоможіть Армії, наближайте нашу Перемогу!
Форум
Шукати

Скутеретти Cub: “Viper” - Active, Sport та подібні...

Переглядів: 6516109
26.03.2008 р.
answerview
Показати повідомлення
“Viper”: Active, Sport;
“Alphamoto”: Romeo 50-B;
“Zongshen”: Cubbike 50cc
“Sabur” SB50Q-12A
“Soul” illusion
"Warrior" RY-110
“Leopard”

Эксплуатация, обслуживание, ремонт...

1-й архив - инструкция по ремонту нашего двигателя (с фото);
2-й архив - мануалка на Актив;
3-й архив - регулировка карбюратора, клапанов, сцепления, прокачка тормозов.
4-й архив - ремонт полуавтоматического сцепления (сцепление для ленивых)
5-й архив - замена масла в вилке на МГП-10(с фото)
6-й архив - каталог деталей двигателя
7-й архив  - Электрическая схема в лучшем разрешении.
8-й архив - мануал на двигатель Джаньши F 34-2 (ямаховский вариант каб-клона, с балансвалом) на английском языке
9-й архив  - мануалка на Джаньши с каб-мотором (мопед в сборе) (на англ. языке) (11,9 мб). - в следующем посте под шапкой
10-й архив - мануалка на Кивей партнер (109 сс) (на русском языке) (142кБ) в следующем посте под шапкой
11-й архив - каталог деталей каб-мотора (на русском языке) (1,83 мБ) в следующем посте под шапкой
Змінено: 08.02.2016 р., tsinik
Прикріплені зображеннявідкрити у галереї
Прикріплені файли
rar
8.49 мБ.
rar
13.77 кБ.
rar
876.92 кБ.
rar
597.4 кБ.
rar
769.66 кБ.
rar
788.62 кБ.
rar
832.02 кБ.
rar
6.27 мБ.
4
like
3
good
1
bad
shockingly
28.10.2008 р.
answerview
А вот на счет вечного сползания пассажира - это точно подметили!
Я уже подумываю зимой немного переделать сиденье. Благо есть опыт работы с кожей!
Надо бы этот вопросик поставить "на повестку дня"! 01_smile
like
good
bad
shockingly
28.10.2008 р. відповів для SlavaFlash  
answerview
Всё это в планах и цену сказать пока не могу, всё зависит от цены на кожу, а кожа бывает разная по качеству и соответственно - цене. Если я и возьмусь за перетяжку сиденья (а свой точно буду перетягивать), то только на кожу, дермантином обшивать не стоит, да и не хочу.

Только вот я подумал, если кататься одному, то поднимать-то сидение пассажира и нет смысла! Сам можеш "ездить" по сиденью взад-вперёд, а после переделки - не особо получиться!

Ещё есть в планах пошить две боковых сумки, или не стоит?
Может они  есть в продаже?
Змінено: 28.10.2008 р., Terefelya
like
good
bad
shockingly
Concord
28.10.2008 р. відповів для Terefelya  
answerview
А ну сумки есть,сделаны под кожу с заклепками.Видел такие как мужик на альфу установил то смотрится норм.
like
good
bad
shockingly
AKS
28.10.2008 р. відповів для Demitricos  
answerview
На своем *Viper Active* с коробкой полуавтомат накатал 3300км с апреля 2008г. Пока претензий никаких.
like
good
bad
shockingly
tigrenok
28.10.2008 р. відповів для malu  
answerview
Честно сказать есть желание такое, но это очень тяжело. Я ехал с Харькова по брехометру получилось 200 км то устал и я и пассажир довольно таки сильно + ожоги всех открытых частей тела (ветер и солнце палят на трассе). Так что думаю если ехать 700 км то надо ехать дня 2-3. Надо паковать в коробку и поездом...

очень странно, что вы устали. тяжело тогда, когда вы едите эти 200км не вставая, в напряжении. когда вам неуютно из-за неправильной одежды.ожоги получились из за того, что части тела, которые НАДО прикрывать во время поездки хотя бы хб тканью как бы жарко не было, были открыты.а тяжело от перегрева вас и скутера.
сколько ездим в дальняки таких проблем никогда не имели.
like
good
bad
shockingly
ztc
28.10.2008 р. відповів для tigrenok  
answerview
Привет всем - сегодня сломал корф, на горку с женой ехал на 1-й, а он закозлил и в итоге жена скатилась назад(но очень мягко) и корф сломан, немного расстроился, подскажите, кто себе нештатный корф ставил. какой лучше подойдет для актива, видел интересную модель с антенной.
like
good
bad
shockingly
28.10.2008 р.
answerview
Всем доброго вечера. Сегодня попытался поставить на учет В - Актив, захожу, к инспектору по экспертизе (у нас так), говорю:" Хочу поставить мопед на учет." он :"Китаец?", Я - "Да"
выдал 2-а бланка - один квитанция второй заява на экспертизу.  Плачу 190грн, заполняю заяву, стою жду на площадке. Дождался...
- Ваш?
-  Мой, хочу поставить на учет, вот квитанция
-  Покажите документы
-  Вот техническое описание мопеда с отметкой на последней странице продавца, который мне продал технику, и талон в котором отмечены №№ шасси и двигателя,  ...печати нет? Так у продавца ее нет.
- Нет, на учет с такими доками поставить нет возможности.
Нужно : справка- счет, сертификат на транспортное средство и чет там еще. И вообще 50куб на учет еще не ставят, не отработана технология на постановку вот будет ... тогда.
Я к чему так длинно, кто ставил на учет поделитесь коллеги  
16_roll
like
good
bad
shockingly
sashastuudent
28.10.2008 р.
answerview
ПОМОГИТЕ!!! Скутер стал плохо заводит(только с ножки), плохо держит обороты, очень сииииильно дымит и почти не тянет. что это? 02_sad
like
good
bad
shockingly
28.10.2008 р. відповів для sashastuudent  
answerview
ПОМОГИТЕ!!! Скутер стал плохо заводит(только с ножки), плохо держит обороты, очень сииииильно дымит и почти не тянет. что это? 02_sad

подробнее расказывай ..какой пробег .?...... какое масло лил..?.... как часто менял ? как начинались проблемы..?... лазил ли в движок..?
like
good
bad
shockingly
sashastuudent
28.10.2008 р. відповів для foxmclout  
answerview
ПОМОГИТЕ!!! Скутер стал плохо заводит(только с ножки), плохо держит обороты, очень сииииильно дымит и почти не тянет. что это? 02_sad

подробнее расказывай ..какой пробег .?...... какое масло лил..?.... как часто менял ? как начинались проблемы..?... лазил ли в движок..?

пробег 7000км, масло лил недавно но не помню точно какое(синтетика), в движок лазил, какраз после этого и началось, но вроде бы всё правильно настроил, а с чем это может быть связано?
like
good
bad
shockingly
tigrenok
28.10.2008 р. відповів для ztc  
answerview
Привет всем - сегодня сломал корф, на горку с женой ехал на 1-й, а он закозлил и в итоге жена скатилась назад(но очень мягко) и корф сломан, немного расстроился, подскажите, кто себе нештатный корф ставил. какой лучше подойдет для актива, видел интересную модель с антенной.

"резиновые" прикольные. не красивые зато практичные и прочные. мало таких сейчас.
а не проще вместо кофров боковые сумки - кофры? 17_wink
like
good
bad
shockingly
28.10.2008 р. відповів для sashastuudent  
answerview
пережаты клапана, залегли кольца,и может еще что-нибудь. Ну мы же просили - отвези к механику, дешевле будет. 17_wink  не мучай животинку. :uops:
я думал, ежедневные тренировки в 6 утра сделают из меня жаворонка.щас.
Они сделали из меня хмурую, сонную и уставшую сову.
like
good
bad
shockingly
sashastuudent
28.10.2008 р. відповів для Tosha443  
answerview
пережаты клапана, залегли кольца,и может еще что-нибудь. Ну мы же просили - отвези к механику, дешевле будет. 17_wink  не мучай животинку. :uops:

так до этого сам сделал, ехал лучше чем когда я его купил, а сейчас опять...(((
like
good
bad
shockingly
28.10.2008 р. відповів для Petrovich  
answerview
ну к нам еще радость реги полтинников не дошла - по-этому и не знают они, как регить.
перечисленные доки нужны для постановки мех.средства на учет. если есть желание зарегить как мех.ср. - то надо у гайцев знакомых в задушевной беседе узнать, как они регают ТС с измененными хар-ками. Типа я форсировал двиг и вылез за рамки. иначе никак.
Я так думаю (с) Фрунзик Мктрчан.
я думал, ежедневные тренировки в 6 утра сделают из меня жаворонка.щас.
Они сделали из меня хмурую, сонную и уставшую сову.
like
good
bad
shockingly
28.10.2008 р. відповів для sashastuudent  
answerview
ну тогда проверяй зазоры клапанов.  если не поможет - снимай голову и инспектируй - клапана, кольца, маслосъемные колпачки(мандавошки в простонародье). ну и перво-наперво смени бензин на более иной(может мочи ослиной налили, а мы тут теории выдвигаем).
я думал, ежедневные тренировки в 6 утра сделают из меня жаворонка.щас.
Они сделали из меня хмурую, сонную и уставшую сову.
like
good
bad
shockingly
28.10.2008 р.
answerview
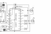
попалась схемка спец сигнала 3+3 (3 раза мигает с одной ..затем 3 с другой ) тошо искал .из схемы вытинул ненужное ..так так была на стробоскопах...ток я там нарисовал на2 диода(левый и правый) .. только скорее всего надо будет установить еще 2 транзистора если  количество светиков будите увеличивать..
кому нужна качайте пока есть 15_badgrin
только делайте на белых светиках что-бы не клипались гайци
Прикріплені зображеннявідкрити у галереї
like
good
bad
shockingly
28.10.2008 р. відповів для ztc  
answerview
только капроновые - они довольно крепкие. остальные - только брендовые.
http://moto.com.ua/forum.php?id=110753&searchpost=on#110753
http://moto.com.ua/forum.php?id=108971&searchpost=on#108971

http://moto.com.ua/forum.php?id=113756&page=1#pryam
http://www.moto.com.ua/forum/
может где и повторился, бывает.
я думал, ежедневные тренировки в 6 утра сделают из меня жаворонка.щас.
Они сделали из меня хмурую, сонную и уставшую сову.
like
good
bad
shockingly
28.10.2008 р. відповів для sashastuudent  
answerview
Я пперечислю  места которые  знаю а ты реши  куда лазил.  ПО  БЕНЗИНУ   закрытазаслонка подсоса,  пропускает клапан поплавка  сильно забит воздухофильтр.
ПО МАСЛУ   - износились или лопнули (ЛО)  кольца поршень,. износ  втулок клапанов  и как результат  уплтнительные манжеты пропускают  масло в камеру сгорания,   звездочки ГРМ  стоят не по меткам, нарушены фазы газораспределения, Это если ты туда лазил. КАК   КОМПРЕССИЯ  не изменилась?    КАКОГО ЦВЕТА  СВЕЧА   И МОКРАЯ ИЛИ СУХАЯ . 06_question
много говорящий человек не профессионал.
like
good
bad
shockingly
28.10.2008 р. відповів для Tosha443  
answerview
Все это так, но где эту дол-ую справку - счет брать?,кипа бумажек с таможни (вероятнее всего, Одесской) и сертификат на технику.
Если сделают регистрацию, как все у нас делают, то это будет полная ж..., ведь не секрет что скут-ты продают дилеры дилеров и окромя регистрации в налоговой (патента) для торговли на рынке у них ничего нет.
like
good
bad
shockingly
28.10.2008 р. відповів для ztc  
answerview
ставил китайский, черный, капроновый. 200 грн. не такой удобный может как родной - но вроде попрочнее ( родной треснул, и замок отломился) и вместительнее немного. смотриться норм (хотя думал великоват будет) - могу завтра фотки выложить. и за одно производителя сказать.
CZ-cross 125 -> Honda CRF 150 -> Yamaha R6(очень недолго - не мое) -> Suzuki Shoot -> suzuki karna -> yamaha adress ->suzuki sepia zz -> viper active -> zongshen lzx125-4b
like
good
bad
shockingly
© 2001-2026, MOTO.com.ua - все про мотоцикли та скутери!   Зворотній зв'язок   Про нас   Реклама на сайті   Магазин