MOTO.com.ua
events
0
Події
Погода: Київ
10.05, 17:56
44
+14 °С
Вітер: 0 м./с., Пн-З
НовиниФорумОголошенняЖурналКаталогПривалКалендар
Реєстрація Вхід
?
Увійти
Допоможіть Армії, наближайте нашу Перемогу!
Форум
Шукати

Скутеретти Cub: “Viper” - Active, Sport та подібні...

Переглядів: 6517574
26.03.2008 р.
answerview
Показати повідомлення
“Viper”: Active, Sport;
“Alphamoto”: Romeo 50-B;
“Zongshen”: Cubbike 50cc
“Sabur” SB50Q-12A
“Soul” illusion
"Warrior" RY-110
“Leopard”

Эксплуатация, обслуживание, ремонт...

1-й архив - инструкция по ремонту нашего двигателя (с фото);
2-й архив - мануалка на Актив;
3-й архив - регулировка карбюратора, клапанов, сцепления, прокачка тормозов.
4-й архив - ремонт полуавтоматического сцепления (сцепление для ленивых)
5-й архив - замена масла в вилке на МГП-10(с фото)
6-й архив - каталог деталей двигателя
7-й архив  - Электрическая схема в лучшем разрешении.
8-й архив - мануал на двигатель Джаньши F 34-2 (ямаховский вариант каб-клона, с балансвалом) на английском языке
9-й архив  - мануалка на Джаньши с каб-мотором (мопед в сборе) (на англ. языке) (11,9 мб). - в следующем посте под шапкой
10-й архив - мануалка на Кивей партнер (109 сс) (на русском языке) (142кБ) в следующем посте под шапкой
11-й архив - каталог деталей каб-мотора (на русском языке) (1,83 мБ) в следующем посте под шапкой
Змінено: 08.02.2016 р., tsinik
Прикріплені зображеннявідкрити у галереї
Прикріплені файли
rar
8.49 мБ.
rar
13.77 кБ.
rar
876.92 кБ.
rar
597.4 кБ.
rar
769.66 кБ.
rar
788.62 кБ.
rar
832.02 кБ.
rar
6.27 мБ.
4
like
3
good
1
bad
shockingly
31.12.2008 р. відповів для pochta23411  
answerview
розкажы как полевиком управлять напряжениям если нетрудно и на ресуй
Мотор любе гарі))
like
good
bad
shockingly
31.12.2008 р. відповів для uadred  
answerview
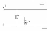
Полевик по работе  похож на лампу (радио)  имеет  исток   внизу слева,  сток  внизу справа,  и затвор  вверх  идет вывод.   Имеет  очень  большое  входное  сопротивление (затвор)     и   очень  маленькое   сопротивление  в  открытом состоянии порядка  сотых долей ома.     На той  схеме   можно  потенциометром  управлять     током на выходе.  Они  есть   разной полярности  прямой  и обратной. На  схеме  IRFP250      ток до  90  А.  напряжение   200  вольт   .а размером   он  примерно  15х20х5 мм.  Сам суди  стоит или нет с ним связываться.  Выводы и все  данные есть в даташитах.
много говорящий человек не профессионал.
Прикріплені зображеннявідкрити у галереї
like
good
bad
shockingly
31.12.2008 р. відповів для pochta23411  
answerview
Ох тут прикинул а какой усилитель можно на них сорудить  15_badgrin соседям точно понравется 15_badgrin
Мотор любе гарі))
like
good
bad
shockingly
31.12.2008 р. відповів для uadred  
answerview
Единственное  чего он  боится  напряжение на  затворе  не должно превышать  норму  у этого 18вольт,  так что когда  разрабатываеш схему учитывай  и ставь  в  цепь затвора  стабилитрон  и какое нибудьR.Дерзай 18_good
много говорящий человек не профессионал.
like
good
bad
shockingly
31.12.2008 р. відповів для tipikin  
answerview
...это ты чувствуешь "двигатель, что на спирту", а бензиновый - сам по себе! Кончай такие дела!
Ded.
like
good
bad
shockingly
02.01.2009 р. відповів для linkin  
answerview
http://moto.com.ua/forum.php?id=83389&searchstring=%CA%EB%E0%EF%E0%ED%E0
Охота пуще неволи...
like
good
bad
shockingly
02.01.2009 р. відповів для Tosha443  
answerview
Вопрос к Вам, дядько, как к матёрому электронщику и ко всем, кто таковыми себя считает. Захотел я себе подсветку в приборке поменять на синюю светодиодную, купил 3 светика по 6,4 юаня. Из харрактеристик продавщица смогла мне сообщить напряение рабочее - 3В(кто бы сомневался!) и угол - 180 (то что надо). Ток, сказала, не помню точно, гдето 40 мА.(Цитата)
Дык вот, кто мне скажет, как этот ток можно узнать? Надо же резистор нормально подобрать, а без тока как это сделать? Вот.
Бороться и искать, найти и... ПЕРЕПРЯТАТЬ!
Правда от истины отличается тем, что истины не знает никто, а правду знают все, только у каждого она своя.
Хорошая машина КАМАЗ! Вот я купил, и не жалею. Н
like
good
bad
shockingly
02.01.2009 р. відповів для CASPER  
answerview
Отними от   12 вольт   3  которые падают на светодиод   а оставшиеся  9 вольт   по формуле   I =  U /R и  высчитаеш    R= U/I    то есть  напряжение   деленное на ток  даст   сопротивление.  Так как  продавцы говорят  максимальный ток   то я  взял бы сопротивление  в пределах  300 ом   не перегружая светодиод.
много говорящий человек не профессионал.
Змінено: 02.01.2009 р., pochta23411
like
good
bad
shockingly
02.01.2009 р. відповів для Maresciallo  
answerview
привет,с наступившим!зазоры на впускном 0,05,а на выпускном сколько???если нетрудно напиши процес ругулировки клапанов.на роторе есть метки,но я вних дуб.
like
good
bad
shockingly
02.01.2009 р. відповів для pochta23411  
answerview
Отними от   12 вольт   3  которые падают на светодиод   а оставшиеся  9 вольт   по формуле   I =  U /R .


Бортовое напряжение лучше принять за 15 В, так как на высоких оборотах оно у нас до 14,7 поднимается.
like
good
bad
shockingly
02.01.2009 р. відповів для linkin  
answerview
На впускному лутше 004 а на выпуске 005  17_wink
Мотор любе гарі))
like
good
bad
shockingly
02.01.2009 р. відповів для linkin  
answerview
Я например з метками не заморачивался просто повернул лапкой пока не пошло зжатия и выставил 17_wink
Мотор любе гарі))
like
good
bad
shockingly
02.01.2009 р. відповів для CASPER  
answerview
Надо же резистор нормально подобрать, а без тока как это сделать?


Есть такое уравнение: Uрез/Rрез=Uд/Rд , где Uрез- напряжение на резисторе, Rрез- сопротивление резистора, Uд- напряжение на диоде, Rд- сопротивление диода. В правую часть ставишь  номинальный ток-0,04 А, ты ведь не знаешь сопротивление диода, но знаешь его ампераж. Напряжение на резисторе 12 В (от 15 В бортового отнимаем 3 В диода). Получаем 12/Rрез=0,04. Дальше арифметика.
like
good
bad
shockingly
02.01.2009 р. відповів для olegdn  
answerview

Есть такое уравнение: Uрез/Rрез=Uд/Rд , где Uрез- напряжение на резисторе, Rрез- сопротивление резистора, Uд- напряжение на диоде, Rд- сопротивление диода. В правую часть ставишь  номинальный ток-0,04 А, ты ведь не знаешь сопротивление диода, но знаешь его ампераж. Напряжение на резисторе 12 В (от 15 В бортового отнимаем 3 В диода). Получаем 12/Rрез=0,04. Дальше арифметика.


Всем спасибо за ответы, но ни один из них не отвечает на поставленный вопрос: КАК РАСЧИТАТЬ НЕОБХОДИМОЕ СОПРОТИВЛЕНИЕ РЕЗИСТОРА ЕСЛИ НЕ ИЗВЕСТЕН ТОК!!! Или просто - как узнать номинальный ток светодиода?

P.S. Кто знает, киньте ссылку на магазин, торгующий светиками с доставкой, а то у нас туго.
Бороться и искать, найти и... ПЕРЕПРЯТАТЬ!
Правда от истины отличается тем, что истины не знает никто, а правду знают все, только у каждого она своя.
Хорошая машина КАМАЗ! Вот я купил, и не жалею. Н
like
good
bad
shockingly
02.01.2009 р. відповів для olegdn  
answerview
О  чень интересная   теория   и  тянет   на  Нобелевкую   если  учесть  что   сумели уровнять   две  половинки  уровнения    причем в одной  половине   имеется элемент  с  нелинейными  характеристиками ( светодиод).   При  увеличении   напряжения  на  светодиоде  всего лиш в  1 вольт  ток через него   увеличится в  десятки  раз,   интересно  какое же у него  сопротивление.   Мне  действительно очень  хотелось бы узнать. 06_question  06_question  06_question
много говорящий человек не профессионал.
like
good
bad
shockingly
02.01.2009 р. відповів для CASPER  
answerview
А что такое 40 мА? Просто предположение?
like
good
bad
shockingly
02.01.2009 р. відповів для CASPER  
answerview
http://motoua.net/forum/index.php?showtopic=5912   Поройся    тут есть  ссылки и на  магазины.
много говорящий человек не профессионал.
like
good
bad
shockingly
MVI
02.01.2009 р. відповів для CASPER  
answerview
Посмотри на ttp://www.kosmodrom.com.ua/data/light/leds.php?name=leds&page=0    может и с доставкой -посмотри .
like
good
bad
shockingly
02.01.2009 р. відповів для olegdn  
answerview
Если бы  Ом  в свое  время  экспериментировал с современной элементной базой   сомневаюсь что он открыл  бы  свой закон (Ома) 03_biggrin
много говорящий человек не профессионал.
like
good
bad
shockingly
02.01.2009 р. відповів для pochta23411  
answerview
Ну если бы наших ученых не за...ли в институтах законами Ома и Кирхгофа, то они вообще ничего обьяснить бы не смогли.  17_wink  03_biggrin  20_drinks
интересно посмотреть на лица ученых тех лет, когда им сообщили, что камень может пропускать ток. 01_smile Обвинили бы в ереси и сожги бы на костре, как пить дать, сожгли.
я думал, ежедневные тренировки в 6 утра сделают из меня жаворонка.щас.
Они сделали из меня хмурую, сонную и уставшую сову.
like
good
bad
shockingly
© 2001-2026, MOTO.com.ua - все про мотоцикли та скутери!   Зворотній зв'язок   Про нас   Реклама на сайті   Магазин